Transmission (1)

Transmission (1) assembly details for Stiga PARK PRO 16 4WD 2012 (13-6271-17) 2012 model

Parts list

Match the number with the image on the left and click "Add" button to add the item to your basket

Please note, that the prices are for individual items

Items might appear more than once on the drawing, please check and adjust the quantity you require.

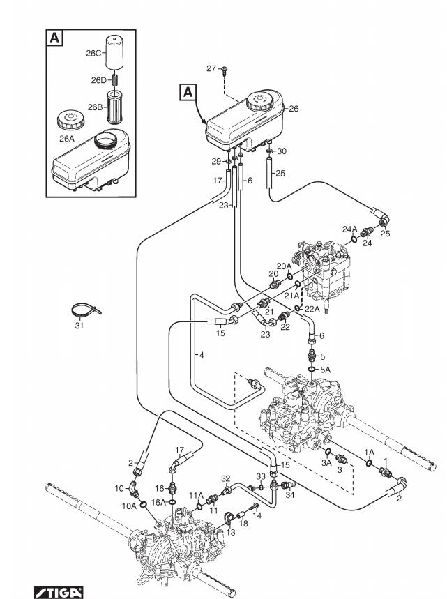
RefNoDescriptionPrice
0011134-5810-01HYDRAULIC COUPLING£17.86 Add to
001A9404-0029-01O RING 16.36 x 2.21£5.46 Add to
002387869512/0HYDRAULIC HOSE£161.04 Add to
0031134-5808-01HYDRAULIC COUPLING£50.70 Add to
003A9404-0029-01O RING 16.36 x 2.21£5.46 Add to
004387869500/0HYDRAULIC HOSE£98.40 Add to
0051134-5809-01HYDRAULIC COUPLING£17.86 Add to
005A9404-0029-01O RING 16.36 x 2.21£5.46 Add to
0101134-5807-01HYDRAULIC ANGLE COUPLING£34.35 Add to
010A9404-0029-01O RING 16.36 x 2.21£5.46 Add to
0111134-5875-01HYDRAULIC COUPLING£71.14 Add to
011A9404-0029-01O RING 16.36 x 2.21£5.46 Add to
0139578-0028-01TUBE CLAMP£9.31 Add to
0149959-0825-16SCREW FLANGED TE M6SF M8 x 25£2.06 Add to
0151134-5753-01HYDRAULIC TUBE£163.80 Add to
0161134-5809-01HYDRAULIC COUPLING£17.86 Add to
016A9404-0029-01O RING 16.36 x 2.21£5.46 Add to
017387869517/0HYDRAULIC HOSE£120.11 Add to
0181134-1565-01SPACER£14.58 Add to
0201134-5808-01HYDRAULIC COUPLING£50.70 Add to
020A9404-0029-01O RING 16.36 x 2.21£5.46 Add to
0211134-5810-01HYDRAULIC COUPLING£17.86 Add to
021A9404-0029-01O RING 16.36 x 2.21£5.46 Add to
022387520119/0LOWER STEERING COLUMN£74.87 Add to
022A9404-0028-01O RING 11.89 x 1.98£4.78 Add to
0231134-5758-02HYDRAULIC TUBE£94.93 Add to
0241134-5810-01HYDRAULIC COUPLING£17.86 Add to
024A9404-0029-01O RING 16.36 x 2.21£5.46 Add to
0251137-0220-01HYDRAULIC HOSE£79.98 Add to
0261134-5819-03HYDRAULIC OIL TANK£149.23 Add to
026A1134-5962-02OIL FILTER (PAPER)£27.27 Add to
026B1134-5963-01COVER-OIL FILTER£12.00 Add to
026C1134-5964-01SPRING-OIL FILTER£11.59 Add to
026D1137-0272-01TANK CAP£34.35 Add to
0279838-9516-12SCREW K50 x 16£2.47 Add to
0299578-0023-04HOSE CLAMP£5.32 Add to
0309578-0023-05HOSE CLAMP£4.91 Add to
0319579-0003-00CABLE HOLDER£2.06 Add to
0321134-6039-01HYDRAULIC PIPE ASSEMBLY£197.87 Add to
0331134-4948-01SEAL WASHER 1/4"£2.59 Add to
0341134-6042-01QUICK COUPLING-MALE 1/4"£32.08 Add to