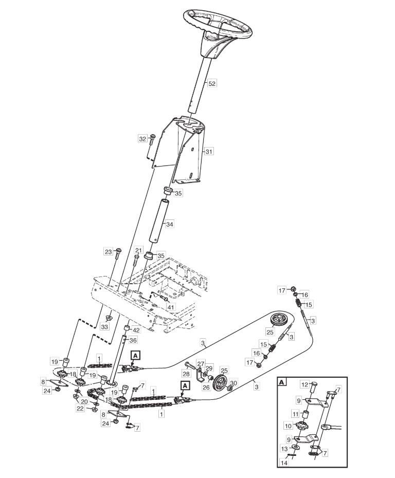
Steering

Steering assembly details for Stiga PARK COMPACT 16 4WD (13-6104-21) 2012 model

Parts list

Match the number with the image on the left and click "Add" button to add the item to your basket

Please note, that the prices are for individual items

Items might appear more than once on the drawing, please check and adjust the quantity you require.

RefNoDescriptionPrice
0011134-6374-10CHAIN (129 LINKS)£27.27 Add to
0031134-9099-01STEERING CABLE ASSEMBLY£61.09 Add to
007187060100/1STEERING CHAIN LOCK£7.62 Add to
0081134-5652-01ATTACHMENT PLATE£5.46 Add to
0091134-5651-01BRACKET£4.35 Add to
0101134-2816-01SPROCKET£10.77 Add to
0111134-0041-02BUSH£10.09 Add to
0121134-4817-01PIN£12.96 Add to
013112521360/0WASHER M10 10.5 x 20 x 2£2.06 Add to
0149599-0054-02SPLIT PIN£2.32 Add to
0151134-3817-01COMPRESSION SPRING£12.96 Add to
0169699-0090-02WASHER 8.4 x 18 x 1.5£2.32 Add to
017112293201/0HEXAGON NUT M8 WITH EXAGONAL FLANGE£2.06 Add to
0181134-2816-01SPROCKET£10.77 Add to
0191134-5653-01SPACER£9.14 Add to
020112521360/0WASHER M10 10.5 x 20 x 2£2.06 Add to
0219997-1060-12SCREW M6S M10 x 60£2.54 Add to
0229739-1031-22NUT M10£2.32 Add to
0239897-1060-12SCREW M10 x 60£3.28 Add to
0249731-1031-22LOCK NUT M6MF M10£2.47 Add to
0251134-9025-01STEERING PULLEY [2 PCS]£20.09 Add to
0261134-0041-01BUSH£9.41 Add to
0271134-3022-01BRACKET£62.97 Add to
0289997-1040-16SCREW M6S 10 x 40£7.23 Add to
029112521360/0WASHER M10 10.5 x 20 x 2£2.06 Add to
0309739-1031-22NUT M10£2.32 Add to
0311134-5349-01STEERING CONSOLE [YELLOW]£106.58 Add to
0329897-0820-16SCREW M8 x 20£2.32 Add to
033112293201/0HEXAGON NUT M8 WITH EXAGONAL FLANGE£2.06 Add to
0341134-1305-05LOWER STEERING COLUMN£47.97 Add to
0351134-1901-01PLASTIC BUSH£12.27 Add to
0361134-2821-05STEERING ROD£68.42 Add to
0419893-0616-16SCREW M6 x 16£2.47 Add to
0421134-2837-03SPACER£11.46 Add to
0521134-5496-01STEERING WHEEL ASSEMBLY£211.50 Add to