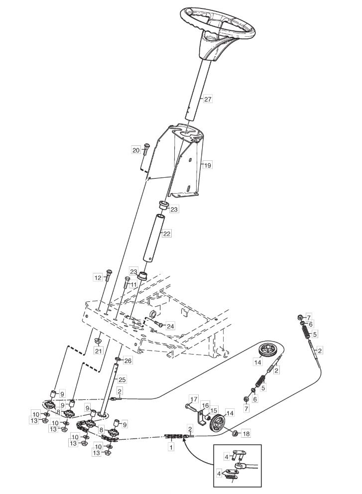
Steering

Steering assembly details for Stiga PARK COMPACT 14 (13-6102-21) 2012 model

Parts list

Match the number with the image on the left and click "Add" button to add the item to your basket

Please note, that the prices are for individual items

Items might appear more than once on the drawing, please check and adjust the quantity you require.

RefNoDescriptionPrice
001187000351/0STEERING CHAIN 83M ELITE PC-PCH W/SERVO£35.71 Add to
0021134-9084-01STEERING CABLE (PARK)£56.15 Add to
004187060100/1STEERING CHAIN LOCK£7.62 Add to
0051134-3817-01COMPRESSION SPRING£12.96 Add to
0069699-0090-02WASHER 8.4 x 18 x 1.5£2.32 Add to
007112293201/0HEXAGON NUT M8 WITH EXAGONAL FLANGE£2.06 Add to
0081134-2816-01SPROCKET£10.77 Add to
0091134-0041-02BUSH£10.09 Add to
010112521360/0WASHER M10 10.5 x 20 x 2£2.06 Add to
0119997-1050-16SCREW M6S M10 x 50£2.87 Add to
0129897-1040-12SCREW M10 x 40£3.49 Add to
0139739-1031-22NUT M10£2.32 Add to
0141134-9025-01STEERING PULLEY [2 PCS]£20.09 Add to
0151134-0041-01BUSH£9.41 Add to
0161134-3022-01BRACKET£62.97 Add to
0179997-1030-16SCREW M6S M10 x 30£3.00 Add to
0189739-1031-22NUT M10£2.32 Add to
0191134-5349-01STEERING CONSOLE [YELLOW]£106.58 Add to
0209897-0820-16SCREW M8 x 20£2.32 Add to
021112293201/0HEXAGON NUT M8 WITH EXAGONAL FLANGE£2.06 Add to
0221134-1305-05LOWER STEERING COLUMN£47.97 Add to
0231134-1901-01PLASTIC BUSH£12.27 Add to
0249893-0616-16SCREW M6 x 16£2.47 Add to
0251137-0079-02STEERING ROD£42.53 Add to
0261134-2837-01SPACER£9.54 Add to
0271134-5496-03STEERING WHEEL ASSY£143.37 Add to