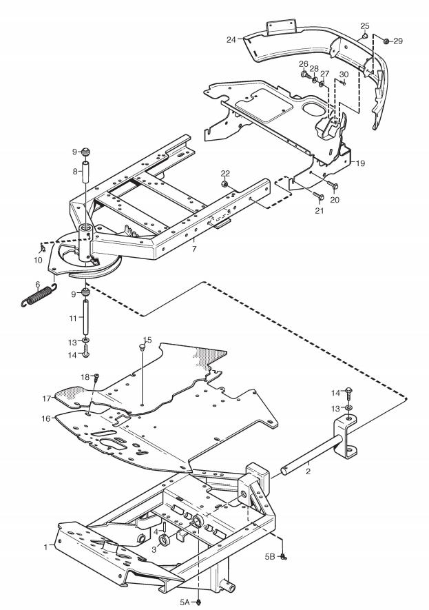
Frame

Frame assembly details for Stiga PARK SILENT 14 2011 (13-6144-75) 2011 model

Parts list

Match the number with the image on the left and click "Add" button to add the item to your basket

Please note, that the prices are for individual items

Items might appear more than once on the drawing, please check and adjust the quantity you require.

RefNoDescriptionPrice
0011137-0182-01FRONT FRAME ASSY£435.40 Add to
001A387800011/0FRONT FRAME ASSEMBLY [2WD]£811.06 Add to
0021137-1119-02CLEVIS FORK£170.61 Add to
0031134-0031-00PIVOT SHAFT STOP£24.95 Add to
0049595-0262-00LOCATING PIN£2.06 Add to
005112379511/0STRAIGHT GREASE NIPPLE M6 x 1£2.06 Add to
005A9501-0504-01GREASE NIPPLE M6£3.69 Add to
0061134-2171-01SPRING£20.53 Add to
0071134-6466-02REAR FRAME ASSEMBLY£490.85 Add to
0081134-5705-01SPACER£19.36 Add to
0099547-0001-00BEARING£24.95 Add to
010112379511/0STRAIGHT GREASE NIPPLE M6 x 1£2.06 Add to
0111134-5988-01CENTRE SHAFT£22.76 Add to
013112521360/0WASHER M10 10.5 x 20 x 2£2.06 Add to
0149959-1025-16SCREW M6SF M10 x 25 TL£3.00 Add to
0159403-0048-70COVER PLUG£9.68 Add to
0161134-6586-01FLOOR PLATE£170.61 Add to
0189893-0616-16SCREW M6 x 16£2.47 Add to
0191134-5944-01TANK SHELF ASSEMBLY£279.64 Add to
0201134-4242-01SPACER WASHER£4.78 Add to
0219959-0820-16FLANGED SCREW M8 x 20 8.8 DIN 6921£2.06 Add to
022112293201/0HEXAGON NUT M8 WITH EXAGONAL FLANGE£2.06 Add to
0241134-5676-01REAR BUMPER£245.56 Add to
0251134-4100-01PLUG£4.78 Add to
0261134-0240-00SCREW£9.14 Add to
0271134-4242-01SPACER WASHER£4.78 Add to
0289665-0002-00BOWL WASHER£2.61 Add to
029112293201/0HEXAGON NUT M8 WITH EXAGONAL FLANGE£2.06 Add to
0309943-0516-16SCREW£2.40 Add to