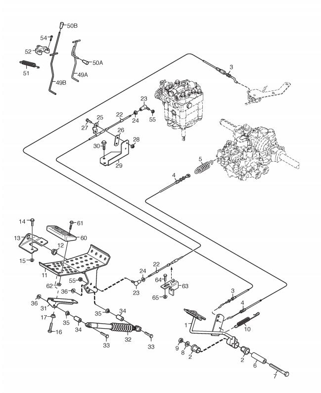
Foot Controls

Foot Controls assembly details for Stiga PARK PRO SVAN 4WD 2011 (13-6272-26) 2011 model

Parts list

Match the number with the image on the left and click "Add" button to add the item to your basket

Please note, that the prices are for individual items

Items might appear more than once on the drawing, please check and adjust the quantity you require.

RefNoDescriptionPrice
0011134-5655-01BRAKE/CLUTCH PEDAL£58.87 Add to
0021134-9024-01PLASTIC BUSH (4 PCS)£19.66 Add to
0031134-5815-02DRIVE CABLE£39.61 Add to
004137065319/0BRAKE CABLE£37.76 Add to
0051134-5989-01SPRING£10.65 Add to
0061134-5677-02SPACER£11.04 Add to
0079997-1070-12SCREW M6S (M10 X 70)£3.81 Add to
0089699-0030-02WASHER (10 X 26 X 2)£2.14 Add to
0099739-1031-22NUT M10£2.32 Add to
0104231-0013-00SPRING£8.87 Add to
0111134-6353-01IMPLEMENT PEDAL£43.62 Add to
0121134-6313-01BEARING£7.36 Add to
0131134-2700-01BRACKET£17.45 Add to
0149959-0820-16FLANGED SCREW M8 x 20 8.8 DIN 6921£2.06 Add to
0169997-0835-16SCREW M6S 8 x 35£2.32 Add to
017112293201/0HEXAGON NUT M8 WITH EXAGONAL FLANGE£2.06 Add to
0221134-2766-08SPEED CONTROL CABLE£83.13 Add to
0239570-0001-00ELBOW LINK£18.90 Add to
0249739-0531-22NUT M5£2.47 Add to
0251134-0266-00ATTACHING CLAMP£7.36 Add to
0261134-0267-00CLAMP PLATE£7.11 Add to
0279997-0520-16SCREW M6S M5 x 20£2.32 Add to
0289739-0531-22NUT M5£2.47 Add to
0291134-5689-01CABLE BRACKET£19.22 Add to
0301134-4242-01SPACER WASHER£4.78 Add to
0311134-3996-01BRACKET£20.01 Add to
0321134-4187-01DAMPER£168.19 Add to
0339997-0840-16SCREW M6S M8 x 40£2.06 Add to
0341134-1565-01SPACER£14.58 Add to
035112293201/0HEXAGON NUT M8 WITH EXAGONAL FLANGE£2.06 Add to
036112293201/0HEXAGON NUT M8 WITH EXAGONAL FLANGE£2.06 Add to
0491134-5353-01BRAKE ROD£29.61 Add to
0501134-2786-01PLASTIC KNOB£6.42 Add to
0511131-1497-01BRAKE SPRING£10.50 Add to
0521134-4002-01BRAKE ROD ATTACHMENT£12.27 Add to
0549838-9516-12SCREW K50 x 16£2.47 Add to
055112154330/0LOW SELF-LOCKING NUT M5£2.06 Add to
0601134-6340-02FOOT REST£7.92 Add to
061112292102/0FLANGED HEXAGONAL NUT M6£2.06 Add to
062112292102/0FLANGED HEXAGONAL NUT M6£2.06 Add to
0631134-6317-01WIRE BRACKET£8.73 Add to
064112292102/0FLANGED HEXAGONAL NUT M6£2.06 Add to
065112292102/0FLANGED HEXAGONAL NUT M6£2.06 Add to