Engine

Engine assembly details for Stiga Titan 32 H W Cabin AC (13-7442-22) 2010 model

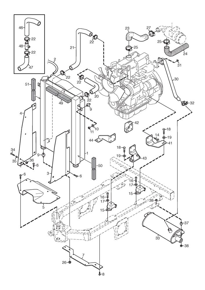
Parts list

Match the number with the image on the left and click "Add" button to add the item to your basket

Please note, that the prices are for individual items

Items might appear more than once on the drawing, please check and adjust the quantity you require.

RefNoDescriptionPrice
0011134-7207-01RADIATOR£2,064.75 Add to
0021134-7386-07FUEL HOSE£11.87 Add to
0069893-0616-16SCREW M6 x 16£2.47 Add to
0071134-7340-01BRACKET COOLER£78.71 Add to
0089945-0816-16SCREW M8 X 16£2.54 Add to
0099550-0008-03VIBRATION DAMPER£20.72 Add to
010112523060/0WASHER M8 8.4 X 24 X 2£2.06 Add to
011112155000/0LOW SELF-LOCKING NUT M8£2.06 Add to
0149959-1025-16SCREW M6SF M10 x 25 TL£3.00 Add to
015084-362-01ENGINE SUPPORT RUBBER£266.01 Add to
0169939-1020-16SCREW£2.06 Add to
017112521360/0WASHER M10 10.5 x 20 x 2£2.06 Add to
0189997-1225-16SCREW M6S M12 x 25£4.52 Add to
019122671652/0WASHER 12.3 x 20 x 2£2.74 Add to
0201134-7437-02COOLING HOSE£43.89 Add to
0211134-7438-01COOLING HOSE£82.05 Add to
0229578-0032-01TUBE CLAMP£7.64 Add to
0231135-2530-01AIR INTAKE HOSE£115.38 Add to
0241134-7460-01HOSE£49.34 Add to
025087-510-01HOSE CLAMP 44-56£7.78 Add to
026112293201/0HEXAGON NUT M8 WITH EXAGONAL FLANGE£2.06 Add to
027085-018-01HOSE CLAMP 50-65 ABA£8.15 Add to
0301135-4196-02EXHAUST PIPE D=38mm£217.69 Add to
031112293201/0HEXAGON NUT M8 WITH EXAGONAL FLANGE£2.06 Add to
032084-351-01TUBE CLAMP£10.23 Add to
0331135-3125-01MUFFLER£288.51 Add to
0349939-1020-16SCREW£2.06 Add to
0351134-0041-10BUSH£42.53 Add to
0369739-1031-22NUT M10£2.32 Add to
0379550-0008-03VIBRATION DAMPER£20.72 Add to
038112155000/0LOW SELF-LOCKING NUT M8£2.06 Add to
0461135-2998-01COOLING HOSE£28.12 Add to
0471135-2998-02COOLING HOSE£28.12 Add to
048532-335-01T-CONNECTION CABIN HEAT£15.28 Add to
0491135-3007-01SEALING STRIP (30X40X410)£31.49 Add to
0501135-3008-01SEALING STRIP (20X20X520)£20.80 Add to
0511135-3008-02SEALING STRIP (20X20X410)£16.63 Add to