Transmission 3

Transmission 3 assembly details for Stiga Park Pro 25 4WD (13-6246-15) 2009 model

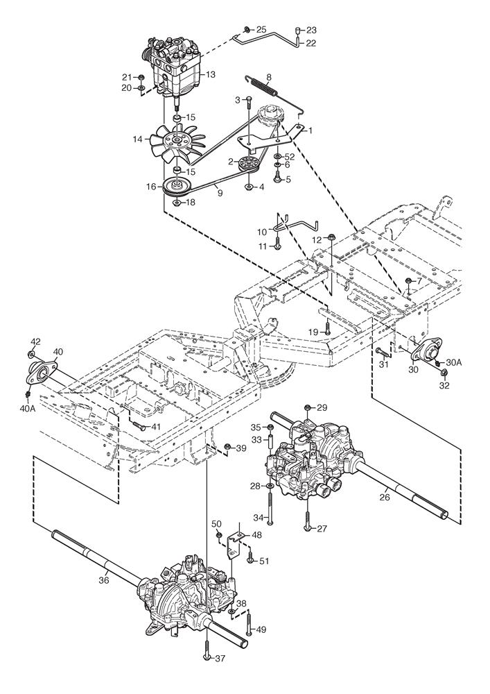
Parts list

Match the number with the image on the left and click "Add" button to add the item to your basket

Please note, that the prices are for individual items

Items might appear more than once on the drawing, please check and adjust the quantity you require.

RefNoDescriptionPrice
0011134-5739-01TENSION ARM£45.26 Add to
002387605012/0TENSION PULLEY£59.68 Add to
0039997-1030-16SCREW M6S M10 x 30£3.00 Add to
0049739-1031-22NUT M10£2.32 Add to
0051134-0240-00SCREW£9.14 Add to
0069665-0002-00BOWL WASHER£2.61 Add to
007112155000/0LOW SELF-LOCKING NUT M8£2.06 Add to
0081134-5713-02SPRING£12.96 Add to
0091134-9058-01TRANSMISSION BELT£23.04 Add to
0101134-5764-01BELT GUIDE£10.09 Add to
0119959-0820-16FLANGED SCREW M8 x 20 8.8 DIN 6921£2.06 Add to
012112293201/0HEXAGON NUT M8 WITH EXAGONAL FLANGE£2.06 Add to
0131134-5700-01HYDRAULIC PUMP KPL-10ALP£3,043.38 Add to
0141134-4190-01FAN£22.35 Add to
0151134-5862-01SPACER£6.16 Add to
0161134-5821-01BELT PULLEY£31.89 Add to
0189731-1031-22LOCK NUT M6MF M10£2.47 Add to
0199997-1040-16SCREW M6S 10 x 40£7.23 Add to
0209699-0030-02WASHER (10 X 26 X 2)£2.14 Add to
0219731-1031-22LOCK NUT M6MF M10£2.47 Add to
0221134-5763-01PULL ROD£8.04 Add to
0231134-4014-01KNOB£5.19 Add to
025112604896/0STARLOCK WASHER D=6£2.06 Add to
026118400998/0REAR TRANSAXLE (KTM10G)£1,095.93 Add to
0279960-0860-12SCREW M8 x 60£2.32 Add to
0289699-0090-02WASHER 8.4 x 18 x 1.5£2.32 Add to
029112155000/0LOW SELF-LOCKING NUT M8£2.06 Add to
0301134-5703-01FLANGE BEARING UNIT£24.95 Add to
030A112379511/0STRAIGHT GREASE NIPPLE M6 x 1£2.06 Add to
0319997-1040-16SCREW M6S 10 x 40£7.23 Add to
0329731-1031-22LOCK NUT M6MF M10£2.47 Add to
0331134-1565-15SPACER£5.46 Add to
0349997-0812-02SCREW M6S M8 x 120£2.06 Add to
035112155000/0LOW SELF-LOCKING NUT M8£2.06 Add to
036118400997/0FRONT TRANSAXLE (KTM10F)£1,082.10 Add to
0379960-0860-12SCREW M8 x 60£2.32 Add to
0389699-0090-02WASHER 8.4 x 18 x 1.5£2.32 Add to
039112155000/0LOW SELF-LOCKING NUT M8£2.06 Add to
0401134-5703-01FLANGE BEARING UNIT£24.95 Add to
040A112379511/0STRAIGHT GREASE NIPPLE M6 x 1£2.06 Add to
0419997-1040-16SCREW M6S 10 x 40£7.23 Add to
0429731-1031-22LOCK NUT M6MF M10£2.47 Add to
0481134-5670-01SUPPORT BRACKET£18.74 Add to
049112692050/0HEX-HEAD SCREW£1.91 Add to
050112155000/0LOW SELF-LOCKING NUT M8£2.06 Add to
0519945-0816-16SCREW M8 X 16£2.54 Add to
0521134-4242-01SPACER WASHER£4.78 Add to