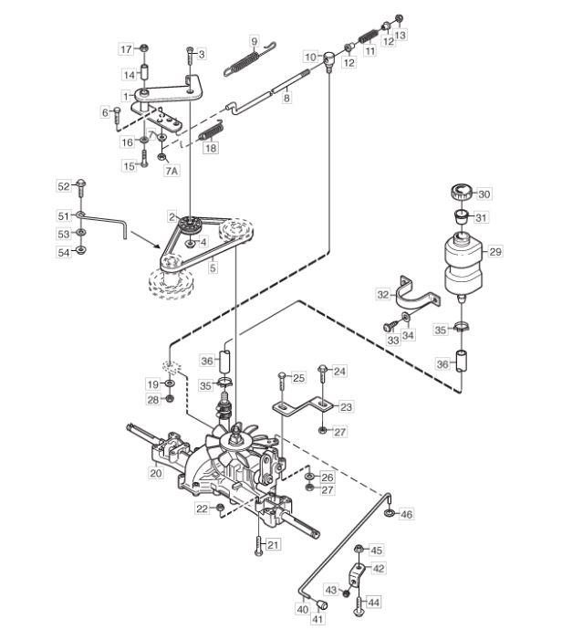
Transmission

Transmission assembly details for Stiga Park Compact 14 (13-6102-21) 2009 model

Parts list

Match the number with the image on the left and click "Add" button to add the item to your basket

Please note, that the prices are for individual items

Items might appear more than once on the drawing, please check and adjust the quantity you require.

RefNoDescriptionPrice
001387205001/0TENSION ARM ASSEMBLY£46.61 Add to
002387605012/0TENSION PULLEY£59.68 Add to
0039924-1035-16SCREW MF6S M10 x 35£6.27 Add to
004112295200/0HEXAGON NUT M10£1.79 Add to
0051134-9058-01TRANSMISSION BELT£23.04 Add to
006112791500/0SCREW TE M6x25 UNI 5739 ACC.8.8£2.06 Add to
007112292102/0FLANGED HEXAGONAL NUT M6£2.06 Add to
007A112154510/0LOW SELF-LOCKING NUT M6 UNI7474 ACC.6S£2.06 Add to
0081134-3377-02CONTROL ROD£16.91 Add to
0094231-0013-00SPRING£8.87 Add to
0101134-4171-01PIVOT PIN£17.45 Add to
0111134-4183-01COMPRESSION SPRING£8.73 Add to
0121134-3456-01BUSH£6.14 Add to
013112154510/0LOW SELF-LOCKING NUT M6 UNI7474 ACC.6S£2.06 Add to
0141134-1565-08SPACER£9.94 Add to
0159997-0870-16SCREW M6S M8 x 70£2.47 Add to
016112523060/0WASHER M8 8.4 X 24 X 2£2.06 Add to
017112155000/0LOW SELF-LOCKING NUT M8£2.06 Add to
0181134-6414-01SPRING£5.73 Add to
018A1134-6414-01SPRING£5.73 Add to
019112523040/0WASHER M6 6.6 x 18 x 1.6£2.06 Add to
0201137-0123-01TRANSAXLE K46CI£1,627.92 Add to
0219960-0860-12SCREW M8 x 60£2.32 Add to
021A112691900/0HEX-HEAD SCREW£1.91 Add to
022112155000/0LOW SELF-LOCKING NUT M8£2.06 Add to
0231134-3913-01STRUT BRACKET£17.59 Add to
0249959-0825-16SCREW FLANGED TE M6SF M8 x 25£2.06 Add to
025112691200/0HEX-HEAD SCREW M8 x 45£2.06 Add to
026112521350/0WASHER M8 8.4 x 16 x 1.6£2.06 Add to
026A9699-0090-02WASHER 8.4 x 18 x 1.5£2.32 Add to
027112155000/0LOW SELF-LOCKING NUT M8£2.06 Add to
028112154510/0LOW SELF-LOCKING NUT M6 UNI7474 ACC.6S£2.06 Add to
0291134-2765-02OIL TANK£45.26 Add to
0301134-2777-02OIL TANK CAP£16.78 Add to
0311134-3734-01VENT PLUG£11.18 Add to
0321134-2778-01BAND£14.18 Add to
0339852-8013-16SCREW£2.47 Add to
0349699-0099-02WASHER 5.2 x 14 x 1.0£2.18 Add to
0359578-0023-04HOSE CLAMP£5.32 Add to
0361134-2779-03TUBE£35.71 Add to
0401134-4015-01PULL ROD£11.59 Add to
0411134-4014-01KNOB£5.19 Add to
0421134-4713-01BRACKET£13.91 Add to
0431134-2790-01RUBBER GROMMET£6.95 Add to
044112800815/0SCREW TE FL M8 x 16£2.06 Add to
044A9959-0820-16FLANGED SCREW M8 x 20 8.8 DIN 6921£2.06 Add to
045112293201/0HEXAGON NUT M8 WITH EXAGONAL FLANGE£2.06 Add to
046112604896/0STARLOCK WASHER D=6£2.06 Add to
0511134-3289-02BELT GUIDE£21.40 Add to
0529959-0820-16FLANGED SCREW M8 x 20 8.8 DIN 6921£2.06 Add to
053112523060/0WASHER M8 8.4 X 24 X 2£2.06 Add to
054112293201/0HEXAGON NUT M8 WITH EXAGONAL FLANGE£2.06 Add to