Engine

Engine assembly details for Stiga Park Compact 14 (13-6102-21) 2009 model

Parts list

Match the number with the image on the left and click "Add" button to add the item to your basket

Please note, that the prices are for individual items

Items might appear more than once on the drawing, please check and adjust the quantity you require.

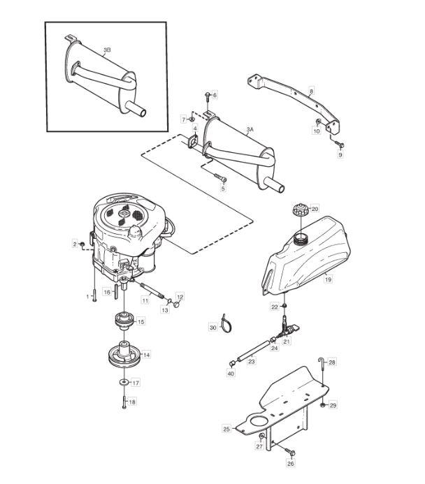
RefNoDescriptionPrice
001A9997-0840-16SCREW M6S M8 x 40£2.06 Add to
002112293201/0HEXAGON NUT M8 WITH EXAGONAL FLANGE£2.06 Add to
0041134-0433-00MUFFLER GASKET£5.87 Add to
0051134-4930-01SCREW£2.32 Add to
0069959-0820-16FLANGED SCREW M8 x 20 8.8 DIN 6921£2.06 Add to
007112293201/0HEXAGON NUT M8 WITH EXAGONAL FLANGE£2.06 Add to
0081134-5390-01TOW BAR BRACKET£64.32 Add to
0099959-0820-16FLANGED SCREW M8 x 20 8.8 DIN 6921£2.06 Add to
010112293201/0HEXAGON NUT M8 WITH EXAGONAL FLANGE£2.06 Add to
0111134-5827-01OIL DRAIN ASSEMBLY£41.16 Add to
0131134-4977-01COPPER WASHER 15 x 10 x 1.5£7.23 Add to
0141134-4999-01ENGINE BELT PULLEY£129.74 Add to
0151134-5000-01ENGINE BELT PULLEY£327.33 Add to
0169600-0251-01KEY L=2.5"£6.95 Add to
0171134-5017-01WASHER 40 x 11.5 x 4£3.55 Add to
0189987-5332-16SCREW U6S 7/16" UNF x 32£2.47 Add to
0191134-6618-01FUEL TANK£47.97 Add to
020125795001/1FUEL TANK CAP£8.32 Add to
0211134-3224-01FUEL SHUT-OFF VALVE£24.95 Add to
0221134-3225-01GROMMET£7.57 Add to
0231134-2975-01FUEL HOSE L=520£15.28 Add to
0249578-0023-02HOSE CLAMP£5.73 Add to
0251134-5340-01FUEL TANK BRACKET ASSY (BLACK) 5-01£175.19 Add to
0269959-0820-16FLANGED SCREW M8 x 20 8.8 DIN 6921£2.06 Add to
027112293201/0HEXAGON NUT M8 WITH EXAGONAL FLANGE£2.06 Add to
0281134-5346-01FUEL TANK LOOP£13.49 Add to
029112154510/0LOW SELF-LOCKING NUT M6 UNI7474 ACC.6S£2.06 Add to
0309579-0003-00CABLE HOLDER£2.06 Add to
0409578-0023-02HOSE CLAMP£5.73 Add to