Transmission 3

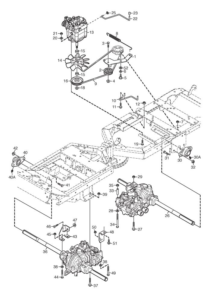
Transmission 3 assembly details for Stiga Park Pro Svan 4WD (13-6241-24) 2008 model

Parts list

Match the number with the image on the left and click "Add" button to add the item to your basket

Please note, that the prices are for individual items

Items might appear more than once on the drawing, please check and adjust the quantity you require.

RefNoDescriptionPrice
0011134-5739-01TENSION ARM£45.26 Add to
0021134-3459-01TENSION PULLEYN/A POA
0039997-1030-16SCREW M6S M10 x 30£3.00 Add to
0049739-1031-22NUT M10£2.32 Add to
0051134-0240-00SCREW£9.14 Add to
0069665-0002-00BOWL WASHER£2.61 Add to
007112155000/0LOW SELF-LOCKING NUT M8£2.06 Add to
0081134-5713-02SPRING£12.96 Add to
0091134-9058-01TRANSMISSION BELT£23.04 Add to
0101134-5764-01BELT GUIDE£10.09 Add to
0119959-0820-16FLANGED SCREW M8 x 20 8.8 DIN 6921£2.06 Add to
012112293201/0HEXAGON NUT M8 WITH EXAGONAL FLANGE£2.06 Add to
0131134-5700-01HYDRAULIC PUMP KPL-10ALP£3,043.38 Add to
0141134-4190-01FAN£22.35 Add to
0151134-5862-01SPACER£6.16 Add to
0161134-5821-01BELT PULLEY£31.89 Add to
0189731-1031-22LOCK NUT M6MF M10£2.47 Add to
0199997-1040-16SCREW M6S 10 x 40£7.23 Add to
0209699-0030-02WASHER (10 X 26 X 2)£2.14 Add to
0219731-1031-22LOCK NUT M6MF M10£2.47 Add to
0221134-5763-01PULL ROD£8.04 Add to
0231134-4014-01KNOB£5.19 Add to
0259675-0009-02StarlockN/A POA
0261134-5701-01REAR TRANSAXLE KTM 10G£1,078.62 Add to
0279960-0860-12SCREW M8 x 60£2.32 Add to
0289699-0090-02WASHER 8.4 x 18 x 1.5£2.32 Add to
0301134-5703-01FLANGE BEARING UNIT£24.95 Add to
030A9501-0500-00GREASE JOINTN/A POA
0319997-1040-16SCREW M6S 10 x 40£7.23 Add to
0329731-1031-22LOCK NUT M6MF M10£2.47 Add to
0331134-1565-15SPACER£5.46 Add to
0349997-0812-02SCREW M6S M8 x 120£2.06 Add to
0361134-5702-01FRONT TRANSAXLE (KTM 10F)£952.72 Add to
0379960-0860-12SCREW M8 x 60£2.32 Add to
0389699-0090-02WASHER 8.4 x 18 x 1.5£2.32 Add to
0401134-5703-01FLANGE BEARING UNIT£24.95 Add to
0419997-1040-16SCREW M6S 10 x 40£7.23 Add to
0429731-1031-22LOCK NUT M6MF M10£2.47 Add to
0431134-5650-01TRANSAXLE BRACKET£42.21 Add to
0449997-0860-16SCREW M6S M8 x 60£1.91 Add to
0469959-1025-16SCREW M6SF M10 x 25 TL£3.00 Add to
0479731-1031-22LOCK NUT M6MF M10£2.47 Add to
0481134-5670-01SUPPORT BRACKET£18.74 Add to
0499997-0880-16ScrewN/A POA
0519945-0816-16SCREW M8 X 16£2.54 Add to
0521134-4242-01SPACER WASHER£4.78 Add to