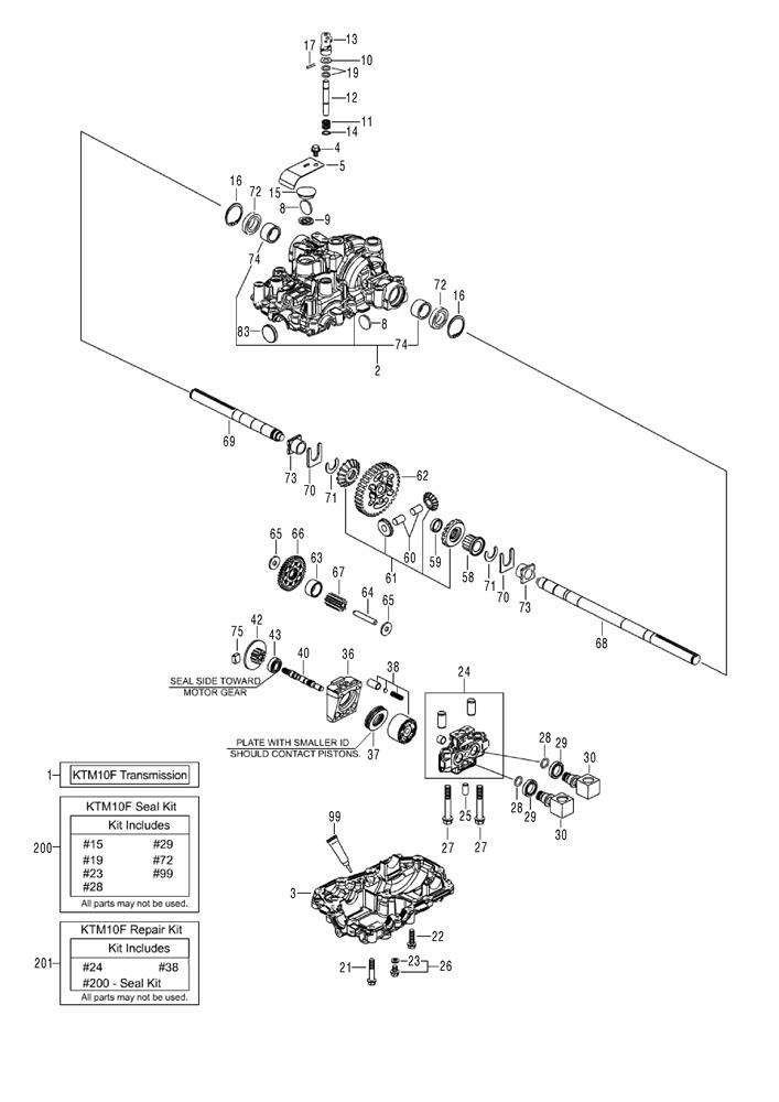
Transmission

Transmission assembly details for Stiga Park Pro Svan 4WD (13-6241-23) 2007 model

Parts list

Match the number with the image on the left and click "Add" button to add the item to your basket

Please note, that the prices are for individual items

Items might appear more than once on the drawing, please check and adjust the quantity you require.

RefNoDescriptionPrice
001118400997/1FRONT TRANSAXLE (KTM10F)£1,080.84 Add to
0021139-1417-01UPPER HOUSING£814.79 Add to
0031139-1418-01LOWER HOUSING£247.25 Add to
0041139-1733-01FLANGE BOLT M8 x 12£1.50 Add to
0051139-1384-01SKID PLATE£17.81 Add to
0081139-1150-01MAGNET£8.23 Add to
0091139-1341-01MAGNET HOLDER£4.37 Add to
0101139-1388-01WASHER£4.97 Add to
0131139-1189-01BY-PASS LEVER£9.19 Add to
0151139-1397-01SEALING CAP£39.05 Add to
0161139-1444-01CIRCLIP£7.57 Add to
0191139-1114-01O RING£4.80 Add to
0231139-1103-01SEAL WASHER£6.31 Add to
0241139-1419-02CENTER CASE£706.43 Add to
0251139-1445-01PIN (KTM10M)£3.64 Add to
0261139-1500-01DRAIN BOLT KIT£6.59 Add to
0271139-1449-01BOLT£4.52 Add to
0281139-1446-01O RING£6.25 Add to
0291139-1447-01SEAL£17.51 Add to
0361139-1504-01MOTOR HOUSING£81.95 Add to
0371139-1438-01BEARING£115.86 Add to
0381139-1593-01REPAIR KIT£865.59 Add to
0381139-2752-01CYLINDER BLOCK KIT£297.96 Add to
0401139-1425-01MOTOR SHAFT£135.19 Add to
0421139-1442-01MOTOR GEAR£26.33 Add to
0431139-1453-01BEARING£18.75 Add to
0581139-1330-01COLLAR£20.62 Add to
0591139-1435-01COLLAR£29.67 Add to
0601139-1440-01PIN£5.66 Add to
0611139-1439-01DIFFERENTIAL GEAR KIT£150.01 Add to
0621139-1429-01FINAL GEAR£487.44 Add to
0631139-1427-01COLLAR (KTM10M)£31.26 Add to
0641139-1256-01REDUCTION SHAFT£14.69 Add to
0651139-1398-01WASHER£5.21 Add to
0661139-1441-01REDUCTION GEAR£27.15 Add to
0671139-1361-01FINAL PINION GEAR£25.15 Add to
0681139-1432-01R/H AXLE SHAFT L=518MM£628.73 Add to
0691139-1431-01L/H AXLE SHAFT£388.53 Add to
0701139-1194-01THRUST WASHER£10.04 Add to
0711139-1155-01RING£3.27 Add to
0721139-1044-01SEAL 25.4*42*8£23.04 Add to
0731139-1156-01BUSH£9.40 Add to
0741139-1415-01BUSH (25.4)£9.47 Add to
0751139-1260-01BRAKE SHOE£2.18 Add to
0831139-1450-01SEALING CAP£23.31 Add to
0991139-1443-01SEALANT (TUBE)£38.16 Add to
2001139-1436-01SEAL KIT£115.86 Add to