Engine

Engine assembly details for Stiga Park Pro 25 4WD (13-6246-43) 2007 model

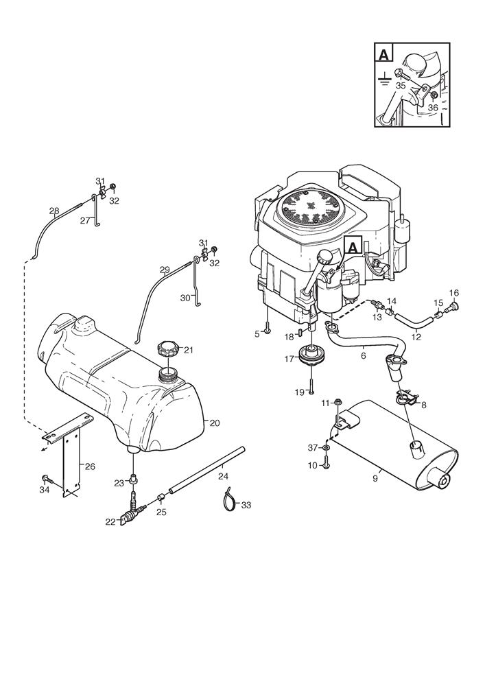
Parts list

Match the number with the image on the left and click "Add" button to add the item to your basket

Please note, that the prices are for individual items

Items might appear more than once on the drawing, please check and adjust the quantity you require.

RefNoDescriptionPrice
0059955-3725-16SCREW 3/8" x 25£2.87 Add to
0061134-7877-01EXHAUST PIPE£218.32 Add to
0089578-0011-00CLAMP£13.23 Add to
0089578-0011-01TUBE CLAMP£14.58 Add to
009187751513/0MUFFLER ASSEMBLY PFM (ROSSES)£267.76 Add to
0109959-0820-16FLANGED SCREW M8 x 20 8.8 DIN 6921£2.06 Add to
011112293201/0HEXAGON NUT M8 WITH EXAGONAL FLANGE£2.06 Add to
0121134-5827-04OIL DRAIN ASSEMBLY£34.35 Add to
0131134-5825-01NIPPLE£58.87 Add to
0149578-0023-04HOSE CLAMP£5.32 Add to
0151134-3499-02USE 9578-0023-00£3.69 Add to
0161134-5826-01PLUG£24.95 Add to
0171134-5866-01ENGINE BELT PULLEY£71.14 Add to
0189600-0251-00KEY L=3/4"£4.91 Add to
019112737320/0THREADED SCREW 7/16" x 3" 20 UNF£4.78 Add to
0201134-5644-01FUEL TANK£135.19 Add to
021125795001/1FUEL TANK CAP£8.32 Add to
022118563206/0FUEL SHUT-OFF VALVE (LONCIN)£23.69 Add to
023337260156/0GROMMET£8.84 Add to
0241134-2975-15FUEL HOSE (L=1400)£32.99 Add to
0259578-0023-02HOSE CLAMP£5.73 Add to
0301134-5765-01TANK LOOP£11.05 Add to
0311134-4481-02WING NUT£6.14 Add to
032112154510/0LOW SELF-LOCKING NUT M6 UNI7474 ACC.6S£2.06 Add to
0339579-0003-00CABLE HOLDER£2.06 Add to
0349945-0816-16SCREW M8 X 16£2.54 Add to
0359959-0820-16FLANGED SCREW M8 x 20 8.8 DIN 6921£2.06 Add to
036112155000/0LOW SELF-LOCKING NUT M8£2.06 Add to
037112523060/0WASHER M8 8.4 X 24 X 2£2.06 Add to