Power-prestige engine Kohler

Power-prestige engine Kohler assembly details for Stiga Park Prestige 4WD (13-6185-43) 2007 model

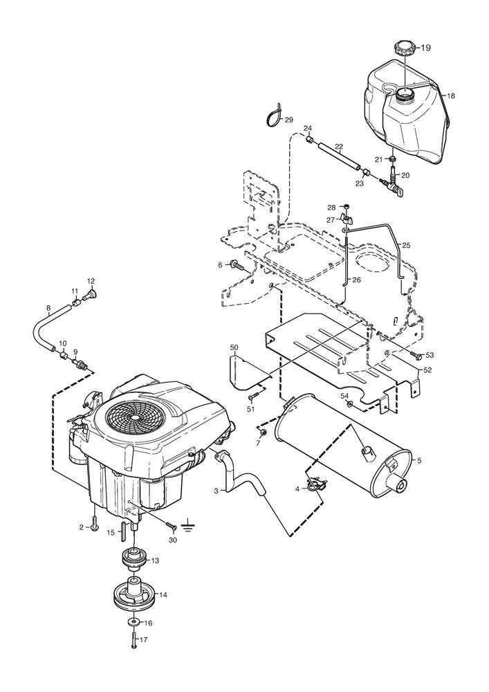
Parts list

Match the number with the image on the left and click "Add" button to add the item to your basket

Please note, that the prices are for individual items

Items might appear more than once on the drawing, please check and adjust the quantity you require.

RefNoDescriptionPrice
0029955-3725-16SCREW 3/8" x 25£2.87 Add to
0031134-6021-01EXHAUST PIPE£170.61 Add to
0049578-0011-01TUBE CLAMP£14.58 Add to
005187751507/0MUFFLER ASSY£342.17 Add to
006112800815/0SCREW TE FL M8 x 16£2.06 Add to
0069959-0820-16FLANGED SCREW M8 x 20 8.8 DIN 6921£2.06 Add to
007112293201/0HEXAGON NUT M8 WITH EXAGONAL FLANGE£2.06 Add to
0081134-5827-01OIL DRAIN ASSEMBLY£41.16 Add to
0091134-5825-01NIPPLE£58.87 Add to
0109578-0023-04HOSE CLAMP£5.32 Add to
0111134-3499-02USE 9578-0023-00£3.69 Add to
0121134-5826-01PLUG£24.95 Add to
0131134-6137-01ENGINE BELT PULLEY£71.14 Add to
0141134-4999-01ENGINE BELT PULLEY£129.74 Add to
0159600-0251-01KEY L=2.5"£6.95 Add to
0161134-5017-01WASHER 40 x 11.5 x 4£3.55 Add to
0179987-5332-16SCREW U6S 7/16" UNF x 32£2.47 Add to
0181134-5938-01FUEL TANK£135.19 Add to
019125795001/1FUEL TANK CAP£8.32 Add to
020118563206/0FUEL SHUT-OFF VALVE (LONCIN)£23.69 Add to
021337260156/0GROMMET£8.84 Add to
0221134-2975-15FUEL HOSE (L=1400)£32.99 Add to
0239578-0023-02HOSE CLAMP£5.73 Add to
0249578-0023-02HOSE CLAMP£5.73 Add to
0251134-5942-01TANK LOOP£9.54 Add to
0261134-5996-01TANK LOOP£7.10 Add to
0271134-4481-02WING NUT£6.14 Add to
028112154510/0LOW SELF-LOCKING NUT M6 UNI7474 ACC.6S£2.06 Add to
0299579-0003-00CABLE HOLDER£2.06 Add to
0309893-0616-16SCREW M6 x 16£2.47 Add to
0501134-6234-01HEAT DEFLECTOR£17.86 Add to
0519943-0516-16SCREW£2.40 Add to
0521134-6251-01HEAT DEFLECTOR£39.80 Add to
0539959-0612-16SCREW M6SF M6 x 12 TL£1.79 Add to
054112292102/0FLANGED HEXAGONAL NUT M6£2.06 Add to