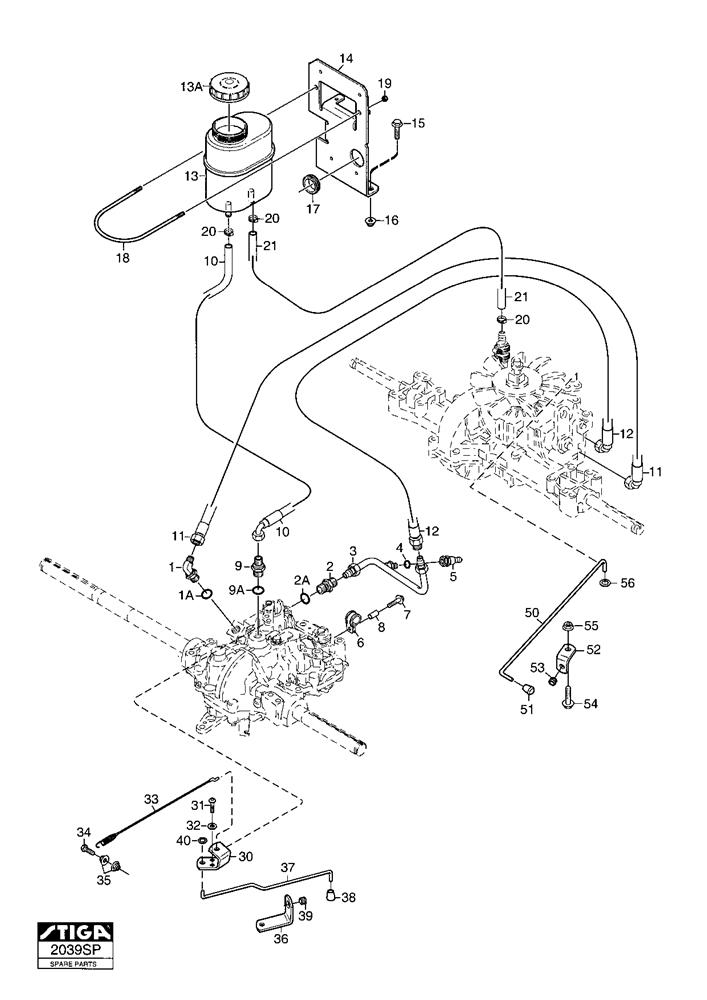
Transmission (Hydraulic Parts)

Transmission (Hydraulic Parts) assembly details for Stiga Park Power 4WD (13-6196-23) 2007 model

Parts list

Match the number with the image on the left and click "Add" button to add the item to your basket

Please note, that the prices are for individual items

Items might appear more than once on the drawing, please check and adjust the quantity you require.

RefNoDescriptionPrice
001A9404-0029-01O RING 16.36 x 2.21£5.46 Add to
002112375009/0THREADED HYDRAULIC COUPLING 3/4"(w/caps)£17.88 Add to
002A9404-0029-01O RING 16.36 x 2.21£5.46 Add to
0031134-6039-01HYDRAULIC PIPE ASSEMBLY£197.87 Add to
0041134-4948-01SEAL WASHER 1/4"£2.59 Add to
005112375007/0QUICK COUPLING-MALE 1/4" (w/caps)£19.13 Add to
0069578-0028-01TUBE CLAMP£9.31 Add to
0079959-0825-16SCREW FLANGED TE M6SF M8 x 25£2.06 Add to
0081134-1565-09SPACER£13.90 Add to
0091134-5809-01HYDRAULIC COUPLING£17.86 Add to
009A9404-0029-01O RING 16.36 x 2.21£5.46 Add to
013387735261/0HYDRAULIC OIL TANK ASSEMBLY c/w FILTER£69.31 Add to
0159959-0820-16FLANGED SCREW M8 x 20 8.8 DIN 6921£2.06 Add to
016112293201/0HEXAGON NUT M8 WITH EXAGONAL FLANGE£2.06 Add to
0171134-3203-01GROMMET£5.60 Add to
0181134-5943-01TANK LOOP£7.78 Add to
019112154510/0LOW SELF-LOCKING NUT M6 UNI7474 ACC.6S£2.06 Add to
0209578-0023-04HOSE CLAMP£5.32 Add to
0211134-2779-03TUBE£35.71 Add to
030337774119/0UNLOCK BRACKET£16.50 Add to
0319939-0612-16SCREW M6 x 12£2.32 Add to
032112521330/0WASHER M6 6.4 X 12 X 1.6£2.06 Add to
033137065320/0FRONT TRANSMISSION RELEASE CABLE£20.31 Add to
034112691100/0HEX-HEAD SCREW M8 x 35£2.81 Add to
035112293201/0HEXAGON NUT M8 WITH EXAGONAL FLANGE£2.06 Add to
0361134-6084-01CONTROL BRACKET£10.09 Add to
0371134-6083-01CONTROL ROD£7.27 Add to
0381134-4014-01KNOB£5.19 Add to
0391134-2790-01RUBBER GROMMET£6.95 Add to
040112604896/0STARLOCK WASHER D=6£2.06 Add to
0501134-4015-01PULL ROD£11.59 Add to
0511134-4014-01KNOB£5.19 Add to
0521134-4713-01BRACKET£13.91 Add to
0531134-2790-01RUBBER GROMMET£6.95 Add to
0549959-0820-16FLANGED SCREW M8 x 20 8.8 DIN 6921£2.06 Add to
055112293201/0HEXAGON NUT M8 WITH EXAGONAL FLANGE£2.06 Add to
056112604896/0STARLOCK WASHER D=6£2.06 Add to