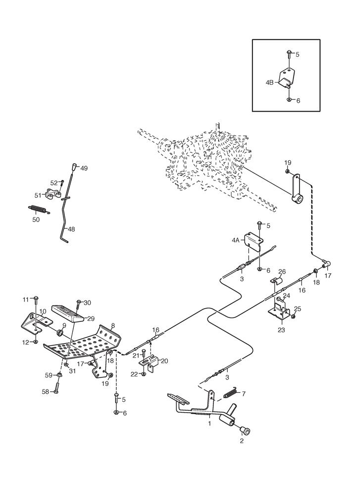
Foot Controls

Foot Controls assembly details for Stiga Park Diesel (13-6180-33) 2007 model

Parts list

Match the number with the image on the left and click "Add" button to add the item to your basket

Please note, that the prices are for individual items

Items might appear more than once on the drawing, please check and adjust the quantity you require.

RefNoDescriptionPrice
0021134-9024-01PLASTIC BUSH (4 PCS)£19.66 Add to
0031134-3584-03BRAKE/CLUTCH CABLE£34.35 Add to
004A1134-6467-01CABLE HOLDER£6.55 Add to
004B1134-6052-01WIRE BRACKET£17.04 Add to
0059959-0820-16FLANGED SCREW M8 x 20 8.8 DIN 6921£2.06 Add to
006112293201/0HEXAGON NUT M8 WITH EXAGONAL FLANGE£2.06 Add to
0071134-3974-01SPRING£12.40 Add to
0081134-6353-01IMPLEMENT PEDAL£43.62 Add to
0091134-6313-01BEARING£7.36 Add to
0101134-2700-01BRACKET£17.45 Add to
0119959-0820-16FLANGED SCREW M8 x 20 8.8 DIN 6921£2.06 Add to
012112293201/0HEXAGON NUT M8 WITH EXAGONAL FLANGE£2.06 Add to
0161134-2766-05SPEED CONTROL CABLE£76.59 Add to
0179570-0001-00ELBOW LINK£18.90 Add to
0189739-0531-22NUT M5£2.47 Add to
019112154330/0LOW SELF-LOCKING NUT M5£2.06 Add to
0201134-6317-01WIRE BRACKET£8.73 Add to
0219959-0620-16SCREW£2.32 Add to
022112292102/0FLANGED HEXAGONAL NUT M6£2.06 Add to
0231134-3395-01ATTACHMENT BRACKET£30.26 Add to
0249959-0820-16FLANGED SCREW M8 x 20 8.8 DIN 6921£2.06 Add to
025112293201/0HEXAGON NUT M8 WITH EXAGONAL FLANGE£2.06 Add to
0261134-2021-01CLAMP£7.36 Add to
0309959-0620-16SCREW£2.32 Add to
031112292102/0FLANGED HEXAGONAL NUT M6£2.06 Add to
0481134-5101-01BRAKE ROD£18.13 Add to
0491134-3808-01KNOB£9.00 Add to
0501131-1497-01BRAKE SPRING£10.50 Add to
0511134-4002-01BRAKE ROD ATTACHMENT£12.27 Add to
0529838-9516-12SCREW K50 x 16£2.47 Add to
058112793600/0HEX-HEAD SCREW M8 x 35£2.06 Add to
059112293201/0HEXAGON NUT M8 WITH EXAGONAL FLANGE£2.06 Add to