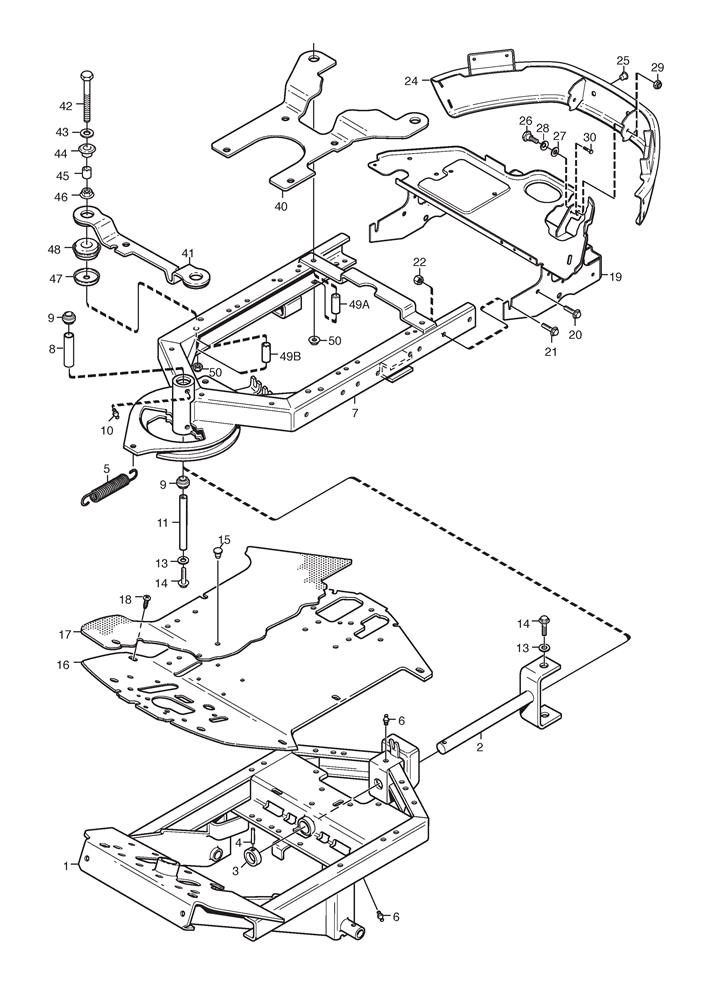
Diesel Frame

Diesel Frame assembly details for Stiga Park Diesel (13-6180-33) 2007 model

Parts list

Match the number with the image on the left and click "Add" button to add the item to your basket

Please note, that the prices are for individual items

Items might appear more than once on the drawing, please check and adjust the quantity you require.

RefNoDescriptionPrice
0031134-0031-00PIVOT SHAFT STOP£24.95 Add to
0049595-0262-00LOCATING PIN£2.06 Add to
0051134-2171-01SPRING£20.53 Add to
006112379511/0STRAIGHT GREASE NIPPLE M6 x 1£2.06 Add to
0071134-6046-01REAR FRAME (DIESEL)£582.84 Add to
0081134-5705-01SPACER£19.36 Add to
0099547-0001-00BEARING£24.95 Add to
010112379511/0STRAIGHT GREASE NIPPLE M6 x 1£2.06 Add to
0111134-5988-01CENTRE SHAFT£22.76 Add to
013112521360/0WASHER M10 10.5 x 20 x 2£2.06 Add to
0149959-1025-16SCREW M6SF M10 x 25 TL£3.00 Add to
0159403-0048-70COVER PLUG£9.68 Add to
0189893-0616-16SCREW M6 x 16£2.47 Add to
0191134-5944-01TANK SHELF ASSEMBLY£279.64 Add to
0209945-0816-16SCREW M8 X 16£2.54 Add to
0219959-0820-16FLANGED SCREW M8 x 20 8.8 DIN 6921£2.06 Add to
022112293201/0HEXAGON NUT M8 WITH EXAGONAL FLANGE£2.06 Add to
024112293201/0HEXAGON NUT M8 WITH EXAGONAL FLANGE£2.06 Add to
0251134-4100-01PLUG£4.78 Add to
0261134-0240-00SCREW£9.14 Add to
0271134-4242-01SPACER WASHER£4.78 Add to
0289665-0002-00BOWL WASHER£2.61 Add to
029112155000/0LOW SELF-LOCKING NUT M8£2.06 Add to
0309943-0516-16SCREW£2.40 Add to
040387547037/0ENGINE BRACKET£138.20 Add to
041387785261/0FRONT ENGINE SUPPORT£95.67 Add to
0429997-1011-06SCREW M6S M10 x 110£11.32 Add to
0439699-0030-02WASHER (10 X 26 X 2)£2.14 Add to
044322672201/0RUBBER GROMMET£6.27 Add to
0451134-4919-01SPACER£9.54 Add to
0469739-1031-22NUT M10£2.32 Add to
0471134-4915-01SUPPORT CUP£12.27 Add to
0481134-4920-01VIBRATION DAMPER£37.08 Add to
049A1134-0041-03BUSH£11.59 Add to
0509731-1031-22LOCK NUT M6MF M10£2.47 Add to