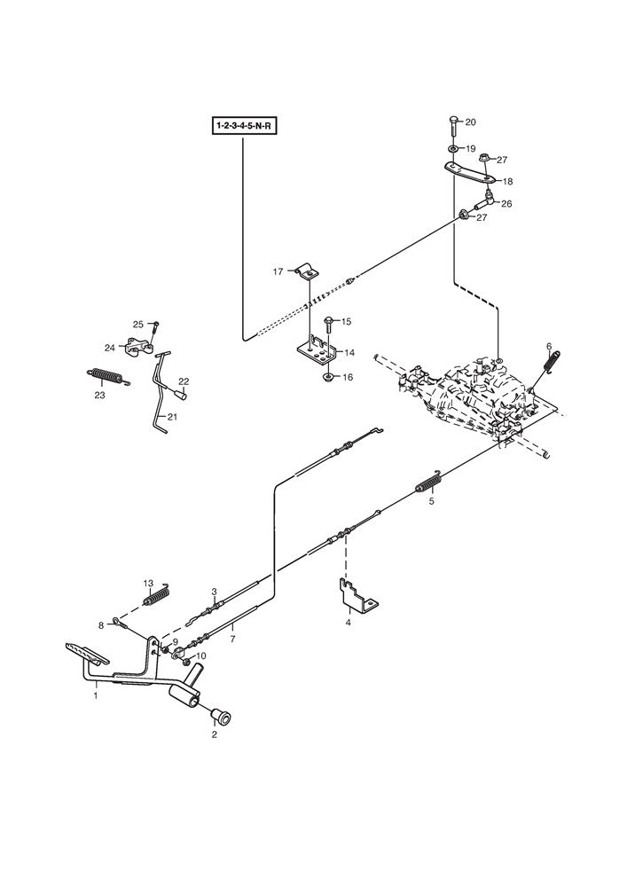
Foot Controls

Foot Controls assembly details for Stiga Park Compact 13 (13-6101-18) 2007 model

Parts list

Match the number with the image on the left and click "Add" button to add the item to your basket

Please note, that the prices are for individual items

Items might appear more than once on the drawing, please check and adjust the quantity you require.

RefNoDescriptionPrice
0021134-9024-01PLASTIC BUSH (4 PCS)£19.66 Add to
0031134-3410-02BRAKE CABLE£53.42 Add to
0051134-3280-01SPRING£19.90 Add to
0061134-3974-01SPRING£12.40 Add to
0061134-3974-02SPRING£26.18 Add to
0071134-4058-01CABLE£84.77 Add to
0099739-0531-22NUT M5£2.47 Add to
010112154330/0LOW SELF-LOCKING NUT M5£2.06 Add to
0131134-3974-01SPRING£12.40 Add to
0141134-3400-01ANGLE PLATE£45.26 Add to
015112800815/0SCREW TE FL M8 x 16£2.06 Add to
0159959-0820-16FLANGED SCREW M8 x 20 8.8 DIN 6921£2.06 Add to
016112293201/0HEXAGON NUT M8 WITH EXAGONAL FLANGE£2.06 Add to
0171134-2021-01CLAMP£7.36 Add to
019112523040/0WASHER M6 6.6 x 18 x 1.6£2.06 Add to
020112735520/0"HEX-HEAD SCREW 1/4"" x 5/8"""£2.06 Add to
0211134-5353-01BRAKE ROD£29.61 Add to
0221134-2786-01PLASTIC KNOB£6.42 Add to
0231131-1497-01BRAKE SPRING£10.50 Add to
0241134-4002-01BRAKE ROD ATTACHMENT£12.27 Add to
0259838-9516-12SCREW K50 x 16£2.47 Add to
0269570-0001-00ELBOW LINK£18.90 Add to
0279739-0531-22NUT M5£2.47 Add to