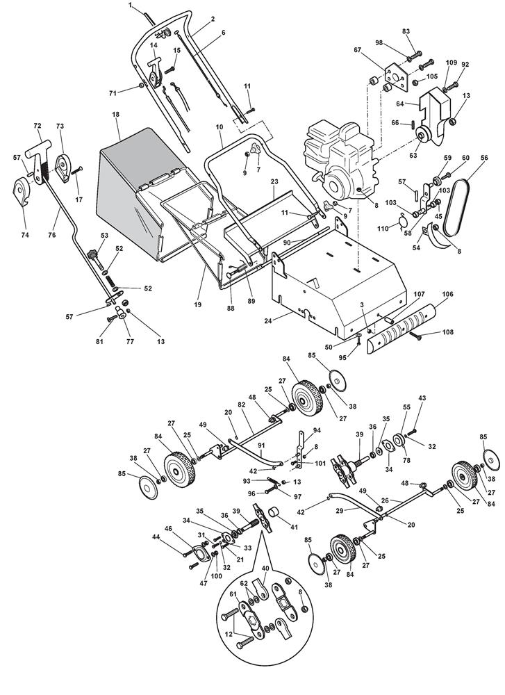
Scarifier

Scarifier assembly details for Stiga SVP 40 B 2017 model

Parts list

Match the number with the image on the left and click "Add" button to add the item to your basket

Please note, that the prices are for individual items

Items might appear more than once on the drawing, please check and adjust the quantity you require.

RefNoDescriptionPrice
001PL75478CLUTCH LEVER£21.35 Add to
002PL75472UPPER HANDLE£26.62 Add to
003112154330/0LOW SELF-LOCKING NUT M5£2.06 Add to
006118802302/0CLUTCH CONTROL CABLE£15.42 Add to
007112293200/0HEXAGON NUT M8 UNI 5588 ACC.6S£1.86 Add to
008112154210/0SELF-LOCK WINGED NUT M8 DIN 6927£2.06 Add to
009122399900/03 SPOKE HANDWHEEL [BLACK]£2.06 Add to
010118801536/0LOWER HANDLE£28.90 Add to
011112819110/0CARRIAGE BOLT M8 x 50£2.02 Add to
012112793301/0HEX-HEAD SCREW M8 x 25£2.06 Add to
013112154510/0LOW SELF-LOCKING NUT M6 UNI7474 ACC.6S£2.06 Add to
014PL30525THROTTLE CONTROL ASSY£23.39 Add to
015112689500/0SCREW M6 x 40£2.06 Add to
0172123210SCREW TC 4.2 x 25£4.35 Add to
018PL72494GRASSBAG£71.14 Add to
019118801539/0BAG FRAME£32.24 Add to
020112604898/0STARLOCK WASHER D=7£2.02 Add to
021112793102/0SCREW TE M8x20 UNI 5739 ACC.8.8£2.06 Add to
023118801540/0DEFLECTOR£115.38 Add to
024118801541/0CHASSIS£238.96 Add to
025112530150/0SPRING WASHER M12£1.79 Add to
026118801542/0AXLE£33.62 Add to
027122122206/0BEARING£2.32 Add to
029118801543/0BAR£15.52 Add to
031112794110/1SCREW TE M10 x 1.5 L=20£2.18 Add to
032112540070/0EXTERNAL TOOTHED WASHER M10£2.06 Add to
033112521360/0WASHER M10 10.5 x 20 x 2£2.06 Add to
034118801544/0PLATE (OBSOLETE)N/A
035118801602/0DISC (OBSOLETE)N/A
036118800369/0BEARING£26.07 Add to
038112154210/0SELF-LOCK WINGED NUT M8 DIN 6927£2.06 Add to
039PL72714AXLE SHAFT (OBSOLETE) (OBSOLETE)N/A
040118801546/0BLADE£9.71 Add to
041118801547/0SPACER£4.10 Add to
042112604898/0STARLOCK WASHER D=7£2.02 Add to
0439997-1040-16SCREW M6S 10 x 40£7.23 Add to
044112789000/0SCREW TE M5 x 12£2.06 Add to
045112156602/0LOW SELF-LOCKING NUT M10£1.79 Add to
046118801548/0COVER£6.32 Add to
047112523020/0WASHER M5 5.5 x 15 x 1.6£2.06 Add to
048PL43189SPACER (OBSOLETE) (OBSOLETE)N/A
049118801550/0SPACER£4.10 Add to
050112523060/0WASHER M8 8.4 X 24 X 2£2.06 Add to
052112521360/0WASHER M10 10.5 x 20 x 2£2.06 Add to
053118801551/0KNOB£12.74 Add to
054118801552/0BELT GUIDE£27.41 Add to
055118801553/0PULLEY£32.99 Add to
056118801554/0BELT (OBSOLETE)N/A
057112645710/0ROLL PIN D=6 x 32£2.47 Add to
058118801555/0ARM£13.80 Add to
059118801556/0PULLEY£27.08 Add to
060112794110/1SCREW TE M10 x 1.5 L=20£2.18 Add to
061118801603/0PLATE£5.89 Add to
063118801557/0PULLEY£29.37 Add to
064118801558/0COVER£19.54 Add to
066112716100/0DOWEL (OBSOLETE)N/A
067118801559/0SUPPORT£29.93 Add to
071112154330/0LOW SELF-LOCKING NUT M5£2.06 Add to
072118801560/0CLUTCH LEVER£5.24 Add to
073118801561/0SUPPORT£4.27 Add to
074118801561/0SUPPORT£4.27 Add to
076118801604/0BAR£14.40 Add to
077118801562/0SUPPORT£4.27 Add to
078112714300/0DOWEL PIN M6 x 12£2.06 Add to
081112727783/0CROSS-HEAD SCREW M6 x 40£2.06 Add to
082118801563/0AXLE£43.62 Add to
083112735802/0THREADED SCREW 5/16" x 1" 24UNF£3.00 Add to
084118801564/0WHEEL£18.42 Add to
085118801565/0HUB CAP£4.61 Add to
088112604898/0STARLOCK WASHER D=7£2.02 Add to
089118801566/0SPRING£5.29 Add to
089118801567/0SPRING£8.90 Add to
090118801568/0AXLE ROD£4.11 Add to
091118801569/0BAR£14.40 Add to
092118802303/0SCREW£5.04 Add to
093118801570/0SPRING£6.87 Add to
094118801571/0ARM£17.07 Add to
095112691115/0HEX-HEAD SCREW M8 x 40£2.06 Add to
095112793600/0HEX-HEAD SCREW M8 x 35£2.06 Add to
096112791200/1SCREW TE M6 x 16£1.79 Add to
097112523040/0WASHER M6 6.6 x 18 x 1.6£2.06 Add to
098112540060/0SERRATED LOCK WASHER M8£2.06 Add to
100112154320/0SELF-LOCKING NUT M5£2.06 Add to
101112882005/0SCREW (OBSOLETE)N/A
103118801572/0SPACER£4.03 Add to
105PL75500NUT£6.09 Add to
106PL33913PLASTIC END CAP£9.94 Add to
107118801606/0SPACER£2.59 Add to
108112727797/0SCREW M5 x 40£3.64 Add to
109118802305/0WASHER£5.04 Add to
110PL39025SPRING£2.30 Add to