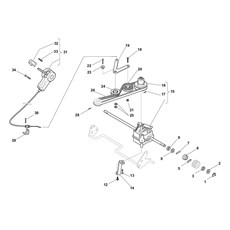
Assembly List For Stiga 2014 Model TURBO PRO 55 S4 B (B&S 850 E) 292553028
Found this firm most helpful and parts spot on thanks
neville welch
01/04/2026
Easy ordering system and quick delivery.
Chris RIDGES
01/04/2026
Part was easy to identify online with part number etc. The part (clutch cable) was received within 48hrs & fit exactly to the existing mower. Great service.
Bob Curwen
01/04/2026
Very happy , Easy to use web site made my choice of mower placed order , contacted by dealer in relation
to delivery . Mower delivered with no problems . Mower works well and hopefully will continue to do so for many years to come.
Gordon Hodgkinson
01/04/2026
All our prices include VAT