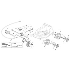
Assembly List For Stiga 2014 Model TURBO POWER 50 SB (B&S 575 EX 295506028
First time user, am happy with the price and the quick delivery.
I will use them again as I look after 4 church mowers and my own machine.
Philip Whittingham
Philip Whittingham
21/04/2026
Excellent service and an excellent price
Ian Harrison
21/04/2026
Easy to order the correct part & delivered on time.
Nicholas Gipson
21/04/2026
I would like to thank World of Mowers for their help when I placed my order for a new Stiga lawn mower. I received a phone call informing me about my delivery schedule which was delivered on time and overall I would certainly recommend this company to anyone who requires a new lawn mower or simply just spare parts. Many thanks also to Simon who delivered it on the day as planned.
Mark Barry
19/04/2026
All our prices include VAT