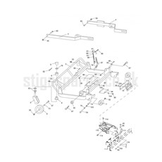
Assembly List For Stiga 2016 Model LAWN RAKE - Park 2+4WD 13-3901-11
Website offers clear exploded view/part numbers to accurately identify & order relevant parts.
Richard Swann
24/02/2026
Everything was fine with the ordering and delivery. My only suggestion is more communication between order and delivery. After the order confirmation I heard nothing until the product was delivered two weeks later. At that point I wasn’t sure if the order had been processed and was about to call you, however, the product turned up that very day. Hope this is seen as constructive criticism.
Ian Brown
24/02/2026
Excellent service from World of Mowers. Many thanks.
David Dalley
13/02/2026
1st class service when I needed a part for my Mountfield ride on mower.
Alex oldman
12/02/2026
All our prices include VAT