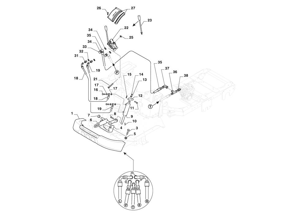
HYDRAULIC LIFT

HYDRAULIC LIFT assembly details for Stiga PARK PRO 900 WX (2F6430831/ST2) 2022 model

Parts list

Match the number with the image on the left and click "Add" button to add the item to your basket

Please note, that the prices are for individual items

Items might appear more than once on the drawing, please check and adjust the quantity you require.

RefNoDescriptionPrice
001337502502/0FRONT BUMPER [GREY]£42.53 Add to
003112794300/0SCREW TE M10 x 30£1.91 Add to
004337774007/0FULCRUM BRACKET£34.97 Add to
005112156602/0LOW SELF-LOCKING NUT M10£1.79 Add to
006387256051/0LIFT LEVER ASSEMBLY£124.29 Add to
0071134-2684-01BUSH£7.10 Add to
0081134-4817-01PIN£12.96 Add to
0091137-0071-01HYDRAULIC CYLINDER£368.20 Add to
0109599-0054-02SPLIT PIN£2.32 Add to
0111134-4816-01PIN£13.64 Add to
0121134-4815-01CYLINDER BRACKET£58.87 Add to
013112521330/0WASHER M6 6.4 X 12 X 1.6£2.06 Add to
0149598-0002-02SPRING PIN 2.5mm L=47mm£2.06 Add to
0149893-0616-16SCREW M6 x 16£2.47 Add to
0161134-4826-01BANJO BOLT£15.81 Add to
0171134-4947-01COPPER WASHER 10 x 14 x 1.5£5.73 Add to
0181137-0193-01HYDRAULIC HOSE 90° 3/16"£89.43 Add to
0191137-0193-01HYDRAULIC HOSE 90° 3/16"£89.43 Add to
021112727799/0SCREW TCB TORX M6 x 35£2.18 Add to
022187145001/0HAND OPERATED VALVE£490.85 Add to
023187318253/0OPERATING LEVER£51.32 Add to
025112292102/0FLANGED HEXAGONAL NUT M6£2.06 Add to
026112728706/0SELF-TAPPING SCREW K40 x 16£2.06 Add to
027387559003/0ONE WAY VALVE COVER£41.16 Add to
0311134-4824-01ADAPTER£12.00 Add to
0321134-4948-01SEAL WASHER 1/4"£2.59 Add to
0331134-6323-01BANJO BOLT 3/8"£10.50 Add to
0341134-4948-02SEAL WASHER 3/8"£2.06 Add to
035387869509/1HYDRAULIC HOSE "T"£89.56 Add to
036112375000/0"T" TUBE CONNECTION£15.41 Add to
037112000401/090° TUBE CONNECTOR£12.96 Add to