ENGINE - BRIGGS & STRATTON

ENGINE - BRIGGS & STRATTON assembly details for Stiga PARK 900 WX (2F6230625/ST2P) 2022 model

Parts list

Match the number with the image on the left and click "Add" button to add the item to your basket

Please note, that the prices are for individual items

Items might appear more than once on the drawing, please check and adjust the quantity you require.

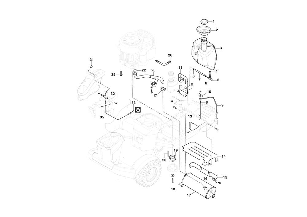
RefNoDescriptionPrice
001125795001/1FUEL TANK CAP£8.32 Add to
001137793051/0FUEL TANK CAP£13.00 Add to
002337207106/0REAR FUEL TANK COVER [BLACK]£6.68 Add to
003337735115/0FUEL TANK [12 LITRES]£132.33 Add to
004337260156/0GROMMET£8.84 Add to
0051134-3224-01FUEL SHUT-OFF VALVE£24.95 Add to
0069578-0023-02HOSE CLAMP£5.73 Add to
0071134-2975-15FUEL HOSE (L=1400)£32.99 Add to
0081134-5996-01TANK LOOP£7.10 Add to
0091134-5942-01TANK LOOP£9.54 Add to
0101134-4481-02WING NUT£6.14 Add to
0121134-3203-01GROMMET£5.60 Add to
0131134-6234-01HEAT DEFLECTOR£17.86 Add to
0141134-6251-01HEAT DEFLECTOR£39.80 Add to
015387602503/0HEAT PROTECTION GUARD£54.79 Add to
0161134-1565-09SPACER£13.90 Add to
017187751507/0MUFFLER ASSY£342.17 Add to
018112737315/0THREADED SCREW 7/16" x 2½" 20 UNF£6.27 Add to
0191134-6139-01ENGINE BELT PULLEY£85.54 Add to
0209600-0251-00KEY L=3/4"£4.91 Add to
0219578-0011-01TUBE CLAMP£14.58 Add to
0221134-0433-00MUFFLER GASKET£5.87 Add to
023118738277/0EXHAUST PIPE VANGUARD 16/18HP PC-PCH£161.04 Add to
025112735108/1TELF-FORM SCREW 3/8" X 1¼" UNC£2.57 Add to
0261134-5827-04OIL DRAIN ASSEMBLY£34.35 Add to
0311134-4078-01KNOB£5.87 Add to
0321134-4077-02THROTTLE CONTROL LEVER£27.27 Add to
033137065323/0THROTTLE CABLE (L=1413mm)£26.18 Add to
0351137-0115-01WIRE CLAMP£2.18 Add to