CHASSIS

CHASSIS assembly details for Stiga PARK 900 WX (2F6230625/ST2) 2022 model

Parts list

Match the number with the image on the left and click "Add" button to add the item to your basket

Please note, that the prices are for individual items

Items might appear more than once on the drawing, please check and adjust the quantity you require.

RefNoDescriptionPrice
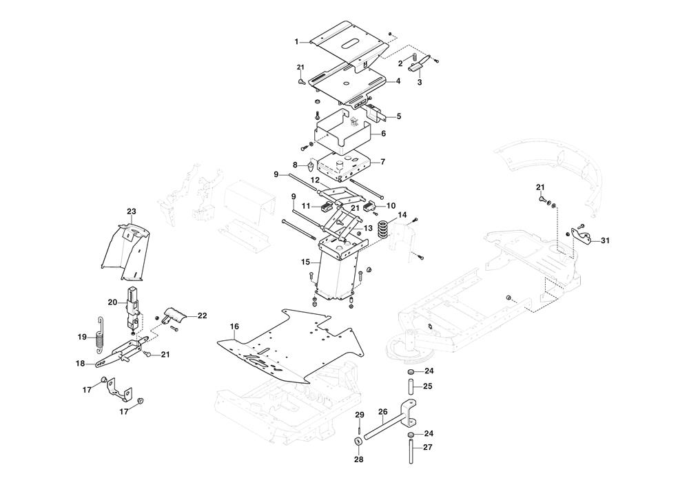
0011134-6090-01UPPER SLIDE PLATE£99.76 Add to
0021134-3262-01SPRING£8.73 Add to
0031134-6073-01HANDLE ASSEMBLY£41.16 Add to
004387773513/0LOWER SLIDE PLATE£95.67 Add to
005387602511/0OPC MICRO PROTECION COVER£35.71 Add to
006387785267/0SEAT SUSPENSION SUPPORT£41.44 Add to
007387773509/2UPPER PLATE£92.23 Add to
0081137-0064-01RUBBER CONE£42.53 Add to
0091137-0263-01TUBE£9.68 Add to
0101137-0033-01BLOCK£3.41 Add to
0111137-0033-02BLOCK£3.41 Add to
0121137-0261-01LINK ASSEMBLY B£67.05 Add to
0131137-0260-01LINK ASSEMBLY A£65.69 Add to
0141134-4160-01SEAT SPRING£24.95 Add to
015387785277/0SEAT SUPPORT ASSEMBLEY [BLACK]£86.89 Add to
016387507505/0FOOTBOARD£187.14 Add to
0171134-2684-01BUSH£7.10 Add to
018387256055/0LIFT LEVER ASSEMBLY£94.31 Add to
0194231-0013-00SPRING£8.87 Add to
0201134-4945-01LIFT CATCH ASSEMBLY£124.29 Add to
0211134-0240-00SCREW£9.14 Add to
022387500013/0LIFTING DECK PEDAL£26.46 Add to
023387785243/0STEERING COLUMN COVER£157.20 Add to
0249547-0001-00BEARING£24.95 Add to
0251134-5705-01SPACER£19.36 Add to
0271134-5988-01CENTRE SHAFT£22.76 Add to
0281134-0031-00PIVOT SHAFT STOP£24.95 Add to
0299595-0262-00LOCATING PIN£2.06 Add to
0311134-5512-01TOWING PLATE£20.72 Add to