Mountfield
  • My account
  • Basket
  • Contact Us
  • 0115 920 0099
  • Home
  •  Spares
    •  Front Mowers
    •  Lawn Tractors
    •  Lawn Mowers
    •  Chainsaws
    •  Brushcutters-Trimmers
    •  Blowers
    •  Scarifiers
    •  Tillers
  •  New products
    •  Lawn Mowers
    •  Lawn Tractors
    •  Front Cut Mowers & Decks
    •  Tractor & Front Cut Accessories
    •  Hedge Trimmers
    •  Trimmers
    •  Cultivators
    •  Blower Vacs
    •  Robot Mowers
    •  Scarifiers
    •  Chainsaws
    •  All Stiga Battery Machinery
    •  Stiga Garden Hand Tools
  • Contact Us

Search by model number

Search by part number

  • Home
  • Stiga Spares
  • Front Mowers
  • Base Machine
  • 2015
  • PARK 540 LPX 2015 (13-6381-31)

PARK 540 LPX 2015 (13-6381-31)

Assembly List For Stiga 2015 Model PARK 540 LPX 2015 (13-6381-31)

Body Work

Body Work spare parts
View Components

Body Work (1)

Body Work (1) spare parts
View Components

Frame

Frame spare parts
View Components

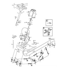
Pedal Lift

Pedal Lift spare parts
View Components

Seat

Seat spare parts
View Components

Steering

Steering spare parts
View Components

Hand Controls

Hand Controls spare parts
View Components

Foot Controls

Foot Controls spare parts
View Components

Electrical

Electrical spare parts
View Components

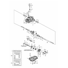
Engine

Engine spare parts
View Components

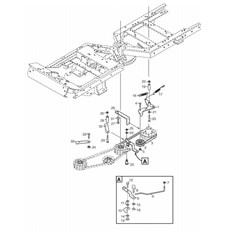
Transmission

Transmission spare parts
View Components

Transmission (1)

Transmission (1) spare parts
View Components

Wheels

Wheels spare parts
View Components

Power Take-off

Power Take-off spare parts
View Components

Power Take-off (1)

Power Take-off (1) spare parts
View Components

Protection, Belt

Protection, Belt spare parts
View Components

Labels

Labels spare parts
View Components

Transmission (2)

Transmission (2) spare parts
View Components

Transmission (3)

Transmission (3) spare parts
View Components

Customer reviews

Reasonable price, quick delivery and well packaged.
Stephen Curtis
14/03/2026
I have used World of Mowers for spare parts for my Mountfield petrol mower for a number of years and wouldn’t use any other supplier. Their website is easy to navigate and identify parts and parts numbers. Very reasonable price compared with other companies and delivery times are always exceptionally quick. Would thoroughly recommend.
Philip Holtam
14/03/2026
Great service & fast delivery couldn’t ask for more. Thank you !
Cheyenne Carr
13/03/2026
Great service got what I ordered and wanted and easy to use web site
Peter Gabriele
13/03/2026

View all
All our prices include VAT
Get in Touch

Contact Us

  • Address: Criftin Enterprise Centre, Unit 8, Oxton Road, Epperstone, Nottingham, NG14 6AT

  • Phone: 0115 920 0099

  • Email: info@worldofmowers.co.uk

Product categories

  • Lawn Mowers

  • Lawn Tractors

  • Front Cut Mowers & Decks

  • Tractor & Front Cut Accessories

  • Hedge Trimmers

  • Trimmers

  • Cultivators

  • Blower Vacs

  • Robot Mowers

  • Scarifiers

  • Chainsaws

  • All Stiga Battery Machinery

  • Stiga Garden Hand Tools

Spare parts

  • Front Mowers

  • Lawn Tractors

  • Lawn Mowers

  • Chainsaws

  • Brushcutters-Trimmers

  • Blowers

  • Scarifiers

  • Tillers

Our Blog

  • A Notice On Stock Shortages

    02 July 2022

    In the current climate all business’ have taken a hit from Brexit, the pandemicas well as shortages of vital components needed for the manufacture of heavygoods and machinery, and here at World of Mowers it has finally caught up tous. We value our customers dearly and try to ensure the best possibleshopping experien ... Read More

World of Mowers

© Copyright 2026. All Rights Reserved.

  • About Us
  • Terms & Conditions
  • Privacy
  • Cookie Policy
  • FAQ's
  • Sitemap
  • Contact Us
By using this site you agree to our Terms and Conditions and our Cookie Policy.
Please Accept these before using the site.