Mountfield
  • My account
  • Basket
  • Contact Us
  • 0115 920 0099
  • Home
  •  Spares
    •  Front Mowers
    •  Lawn Tractors
    •  Lawn Mowers
    •  Chainsaws
    •  Brushcutters-Trimmers
    •  Blowers
    •  Scarifiers
    •  Tillers
  •  New products
    •  Lawn Mowers
    •  Lawn Tractors
    •  Front Cut Mowers & Decks
    •  Tractor & Front Cut Accessories
    •  Hedge Trimmers
    •  Trimmers
    •  Cultivators
    •  Blower Vacs
    •  Robot Mowers
    •  Scarifiers
    •  Chainsaws
    •  All Stiga Battery Machinery
    •  Stiga Garden Hand Tools
  • Contact Us

Search by model number

Search by part number

  • Home
  • Stiga Spares
  • Front Mowers
  • Base Machine
  • 2014
  • PARK 540 LPX 2014 (13-6381-11)

PARK 540 LPX 2014 (13-6381-11)

Assembly List For Stiga 2014 Model PARK 540 LPX 2014 (13-6381-11)

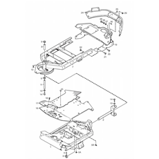
Body Work

Body Work spare parts
View Components

Body Work (1)

Body Work (1) spare parts
View Components

Frame

Frame spare parts
View Components

Pedal Lift

Pedal Lift spare parts
View Components

Seat

Seat spare parts
View Components

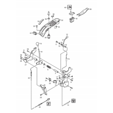
Steering

Steering spare parts
View Components

Hand Controls

Hand Controls spare parts
View Components

Foot Controls

Foot Controls spare parts
View Components

Electrical Parts

Electrical Parts spare parts
View Components

Engine

Engine spare parts
View Components

Transmission

Transmission spare parts
View Components

Transmission (1)

Transmission (1) spare parts
View Components

Wheels

Wheels spare parts
View Components

Power Take-off

Power Take-off spare parts
View Components

Power Take-off (1)

Power Take-off (1) spare parts
View Components

Transmission (2)

Transmission (2) spare parts
View Components

Transmission (3)

Transmission (3) spare parts
View Components

Customer reviews

Easy process to order , clear website with detail of item to be purchased and smooth delivery, will use again,
Owen Griffiths
07/03/2026
2013 Lawn Mower required a little TLC.
Web site had the parts drawings in great detail and was able to identify parts required.
Ordered - delivered and fitted - lawn mower back to tackle another year. Highly recommend
Daniel Smales
06/03/2026
Parts arrived very quickly and well wrapped. Easy to fix the parts you are looking for on the website
David Graham
06/03/2026
top firm always use them 👍👍
Stephen Hurley
05/03/2026

View all
All our prices include VAT
Get in Touch

Contact Us

  • Address: Criftin Enterprise Centre, Unit 8, Oxton Road, Epperstone, Nottingham, NG14 6AT

  • Phone: 0115 920 0099

  • Email: info@worldofmowers.co.uk

Product categories

  • Lawn Mowers

  • Lawn Tractors

  • Front Cut Mowers & Decks

  • Tractor & Front Cut Accessories

  • Hedge Trimmers

  • Trimmers

  • Cultivators

  • Blower Vacs

  • Robot Mowers

  • Scarifiers

  • Chainsaws

  • All Stiga Battery Machinery

  • Stiga Garden Hand Tools

Spare parts

  • Front Mowers

  • Lawn Tractors

  • Lawn Mowers

  • Chainsaws

  • Brushcutters-Trimmers

  • Blowers

  • Scarifiers

  • Tillers

Our Blog

  • A Notice On Stock Shortages

    02 July 2022

    In the current climate all business’ have taken a hit from Brexit, the pandemicas well as shortages of vital components needed for the manufacture of heavygoods and machinery, and here at World of Mowers it has finally caught up tous. We value our customers dearly and try to ensure the best possibleshopping experien ... Read More

World of Mowers

© Copyright 2026. All Rights Reserved.

  • About Us
  • Terms & Conditions
  • Privacy
  • Cookie Policy
  • FAQ's
  • Sitemap
  • Contact Us
By using this site you agree to our Terms and Conditions and our Cookie Policy.
Please Accept these before using the site.