Mountfield
  • My account
  • Basket
  • Contact Us
  • 0115 920 0099
  • Home
  •  Spares
    •  Front Mowers
    •  Lawn Tractors
    •  Lawn Mowers
    •  Chainsaws
    •  Brushcutters-Trimmers
    •  Blowers
    •  Scarifiers
    •  Tillers
  •  New products
    •  Lawn Mowers
    •  Lawn Tractors
    •  Front Cut Mowers & Decks
    •  Tractor & Front Cut Accessories
    •  Hedge Trimmers
    •  Trimmers
    •  Cultivators
    •  Blower Vacs
    •  Robot Mowers
    •  Scarifiers
    •  Chainsaws
    •  All Stiga Battery Machinery
    •  Stiga Garden Hand Tools
  • Contact Us

Search by model number

Search by part number

  • Home
  • Stiga Spares
  • Front Mowers
  • Base Machine
  • 2009
  • Park Silent 14 (13-6144-75)

Park Silent 14 (13-6144-75)

Assembly List For Stiga 2009 Model Park Silent 14 (13-6144-75)

Transmission

Transmission spare parts
View Components

Assembly Parts

Assembly Parts spare parts
View Components

Body Work

Body Work spare parts
View Components

Body Work (1)

Body Work (1) spare parts
View Components

Frame

Frame spare parts
View Components

Pedal Lift

Pedal Lift spare parts
View Components

Seat

Seat spare parts
View Components

Steering

Steering spare parts
View Components

Hand Controls

Hand Controls spare parts
View Components

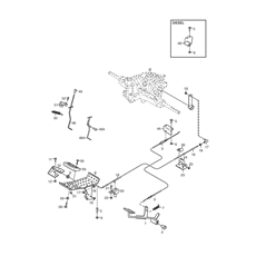
Foot Controls

Foot Controls spare parts
View Components

Electrical System

Electrical System spare parts
View Components

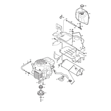
Engine

Engine spare parts
View Components

Transmission (1)

Transmission (1) spare parts
View Components

Wheels

Wheels spare parts
View Components

Power Take-off

Power Take-off spare parts
View Components

Workshop Manual

View PDF

Customer reviews

The items I ordered duly arrived exactly on 14 days after ordering. A quicker delivery would have been appreciated.
Peter Babbington
29/10/2025
Prompt delivery, thanks. Good kit...
Tom Andrew
29/10/2025
Really great service as usual, my order arrived promptly and once again my trusty Mountfield is back in action. Thank you
Stephen McLaren
29/10/2025
I ordered some spare parts and accessories for my Mountfield petrol lawn mower.
The website was excellent and showed the parts I required on a exploded diagram of my mower with all their component numbers. Ordering the required parts was easy and straight forward.

The only downside is the length of time it took for them to arrive, just over 2 weeks. So although the parts are advertised as available it does not necessarily mean that they are actually in stock. It does say in the terms and conditions that it can take up to 14 working days for your parts to arrive.

Just something I'll bear in mind when using this company in the future.

Otherwise it was a great buying experience.
Stuart Tinslay
29/10/2025

View all
All our prices include VAT
Get in Touch

Contact Us

  • Address: Criftin Enterprise Centre, Unit 8, Oxton Road, Epperstone, Nottingham, NG14 6AT

  • Phone: 0115 920 0099

  • Email: info@worldofmowers.co.uk

Product categories

  • Lawn Mowers

  • Lawn Tractors

  • Front Cut Mowers & Decks

  • Tractor & Front Cut Accessories

  • Hedge Trimmers

  • Trimmers

  • Cultivators

  • Blower Vacs

  • Robot Mowers

  • Scarifiers

  • Chainsaws

  • All Stiga Battery Machinery

  • Stiga Garden Hand Tools

Spare parts

  • Front Mowers

  • Lawn Tractors

  • Lawn Mowers

  • Chainsaws

  • Brushcutters-Trimmers

  • Blowers

  • Scarifiers

  • Tillers

Our Blog

  • A Notice On Stock Shortages

    02 July 2022

    In the current climate all business’ have taken a hit from Brexit, the pandemicas well as shortages of vital components needed for the manufacture of heavygoods and machinery, and here at World of Mowers it has finally caught up tous. We value our customers dearly and try to ensure the best possibleshopping experien ... Read More

World of Mowers

© Copyright 2025. All Rights Reserved.

  • About Us
  • Terms & Conditions
  • Privacy
  • Cookie Policy
  • FAQ's
  • Sitemap
  • Contact Us
By using this site you agree to our Terms and Conditions and our Cookie Policy.
Please Accept these before using the site.