Mountfield
  • My account
  • Basket
  • Contact Us
  • 0115 920 0099
  • Home
  •  Spares
    •  Front Mowers
    •  Lawn Tractors
    •  Lawn Mowers
    •  Chainsaws
    •  Brushcutters-Trimmers
    •  Blowers
    •  Scarifiers
    •  Tillers
  •  New products
    •  Lawn Mowers
    •  Lawn Tractors
    •  Front Cut Mowers & Decks
    •  Tractor & Front Cut Accessories
    •  Hedge Trimmers
    •  Trimmers
    •  Cultivators
    •  Blower Vacs
    •  Robot Mowers
    •  Scarifiers
    •  Chainsaws
    •  All Stiga Battery Machinery
    •  Stiga Garden Hand Tools
  • Contact Us

Search by model number

Search by part number

  • Home
  • Stiga Spares
  • Front Mowers
  • Base Machine
  • 2008
  • Park Silent (13-6144-74)

Park Silent (13-6144-74)

Assembly List For Stiga 2008 Model Park Silent (13-6144-74)

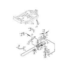
Transmission

Transmission spare parts
View Components

Assembly Parts

Assembly Parts spare parts
View Components

Body Work

Body Work spare parts
View Components

Body Work 1

Body Work 1 spare parts
View Components

Frame

Frame spare parts
View Components

Pedal Lift

Pedal Lift spare parts
View Components

Seat

Seat spare parts
View Components

Steering

Steering spare parts
View Components

Hand Controls

Hand Controls spare parts
View Components

Foot Controls

Foot Controls spare parts
View Components

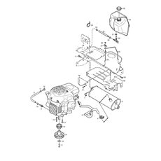
Electric System

Electric System spare parts
View Components

Engine

Engine spare parts
View Components

Transmission 1

Transmission 1 spare parts
View Components

Wheels

Wheels spare parts
View Components

Power take-off

Power take-off spare parts
View Components

workshop manuals

View PDF

Customer reviews

It would have been more helpful if you listed items out of stock on your website rather than customers like me ordering then being told the item is out of stock!
Ken Young
10/04/2026
Items delivered correctly in a decent time frame. Happy to use again
G Stanley
10/04/2026
Excellent site. I will definitely use them again. I was having a bit of a nightmare finding the right parts for my mower until I came across them. The numerous diagrams made it really easy to find and order what I needed. Mowers fixed and the lawn is cut!
Nic Emberton
10/04/2026
Great company, and easy to contact.
I ordered 6 items and when delivered one item was wrong I contacted them and received the correct item 2 days later! Great company and will be using again
Charles Cook
10/04/2026

View all
All our prices include VAT
Get in Touch

Contact Us

  • Address: Criftin Enterprise Centre, Unit 8, Oxton Road, Epperstone, Nottingham, NG14 6AT

  • Phone: 0115 920 0099

  • Email: info@worldofmowers.co.uk

Product categories

  • Lawn Mowers

  • Lawn Tractors

  • Front Cut Mowers & Decks

  • Tractor & Front Cut Accessories

  • Hedge Trimmers

  • Trimmers

  • Cultivators

  • Blower Vacs

  • Robot Mowers

  • Scarifiers

  • Chainsaws

  • All Stiga Battery Machinery

  • Stiga Garden Hand Tools

Spare parts

  • Front Mowers

  • Lawn Tractors

  • Lawn Mowers

  • Chainsaws

  • Brushcutters-Trimmers

  • Blowers

  • Scarifiers

  • Tillers

Our Blog

  • A Notice On Stock Shortages

    02 July 2022

    In the current climate all business’ have taken a hit from Brexit, the pandemicas well as shortages of vital components needed for the manufacture of heavygoods and machinery, and here at World of Mowers it has finally caught up tous. We value our customers dearly and try to ensure the best possibleshopping experien ... Read More

World of Mowers

© Copyright 2026. All Rights Reserved.

  • About Us
  • Terms & Conditions
  • Privacy
  • Cookie Policy
  • FAQ's
  • Sitemap
  • Contact Us
By using this site you agree to our Terms and Conditions and our Cookie Policy.
Please Accept these before using the site.