Mountfield
  • My account
  • Basket
  • Contact Us
  • 0115 920 0099
  • Home
  •  Spares
    •  Front Mowers
    •  Lawn Tractors
    •  Lawn Mowers
    •  Chainsaws
    •  Brushcutters-Trimmers
    •  Blowers
    •  Scarifiers
    •  Tillers
  •  New products
    •  Lawn Mowers
    •  Lawn Tractors
    •  Front Cut Mowers & Decks
    •  Tractor & Front Cut Accessories
    •  Hedge Trimmers
    •  Trimmers
    •  Cultivators
    •  Blower Vacs
    •  Robot Mowers
    •  Scarifiers
    •  Chainsaws
    •  All Stiga Battery Machinery
    •  Stiga Garden Hand Tools
  • Contact Us

Search by model number

Search by part number

  • Home
  • Stiga Spares
  • Front Mowers
  • Base Machine
  • 2008
  • Park Ranger (13-6193-04)

Park Ranger (13-6193-04)

Assembly List For Stiga 2008 Model Park Ranger (13-6193-04)

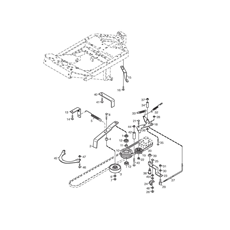
Transmission

Transmission spare parts
View Components

Assembly Parts

Assembly Parts spare parts
View Components

Body Work

Body Work spare parts
View Components

Body Work 1

Body Work 1 spare parts
View Components

Frame

Frame spare parts
View Components

Pedal Lift

Pedal Lift spare parts
View Components

Seat

Seat spare parts
View Components

Steering

Steering spare parts
View Components

Hand Controls

Hand Controls spare parts
View Components

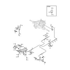
Foot Controls

Foot Controls spare parts
View Components

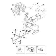
Electric System

Electric System spare parts
View Components

Engine

Engine spare parts
View Components

Transmission 1

Transmission 1 spare parts
View Components

Wheels

Wheels spare parts
View Components

Power take-off

Power take-off spare parts
View Components

Workshop Manual

View PDF

Customer reviews

Not being an expert mechanic it is great for me to find an easy-to-use website and great sales support to source parts I didn't even know I could get.
Robin Brookes
10/11/2025
Very pleased with the service and delivery.
Nilesh Chudasama
08/11/2025
Very hepful staff, kept me up to date with my order even though it took longer to arrive than expected but that was not their fault. I would use them again, I would recommended this company.
Stuart Campbell
08/11/2025
I had a mower that someone had given me and was missing parts..
I phoned up and and toldthem my situation with the mower and was told exactly what was needed..
Can't thank them enough very knowledgeable...
Than you once again
Lee Jones
07/11/2025

View all
All our prices include VAT
Get in Touch

Contact Us

  • Address: Criftin Enterprise Centre, Unit 8, Oxton Road, Epperstone, Nottingham, NG14 6AT

  • Phone: 0115 920 0099

  • Email: info@worldofmowers.co.uk

Product categories

  • Lawn Mowers

  • Lawn Tractors

  • Front Cut Mowers & Decks

  • Tractor & Front Cut Accessories

  • Hedge Trimmers

  • Trimmers

  • Cultivators

  • Blower Vacs

  • Robot Mowers

  • Scarifiers

  • Chainsaws

  • All Stiga Battery Machinery

  • Stiga Garden Hand Tools

Spare parts

  • Front Mowers

  • Lawn Tractors

  • Lawn Mowers

  • Chainsaws

  • Brushcutters-Trimmers

  • Blowers

  • Scarifiers

  • Tillers

Our Blog

  • A Notice On Stock Shortages

    02 July 2022

    In the current climate all business’ have taken a hit from Brexit, the pandemicas well as shortages of vital components needed for the manufacture of heavygoods and machinery, and here at World of Mowers it has finally caught up tous. We value our customers dearly and try to ensure the best possibleshopping experien ... Read More

World of Mowers

© Copyright 2025. All Rights Reserved.

  • About Us
  • Terms & Conditions
  • Privacy
  • Cookie Policy
  • FAQ's
  • Sitemap
  • Contact Us
By using this site you agree to our Terms and Conditions and our Cookie Policy.
Please Accept these before using the site.