Mountfield
  • My account
  • Basket
  • Contact Us
  • 0115 920 0099
  • Home
  •  Spares
    •  Front Mowers
    •  Lawn Tractors
    •  Lawn Mowers
    •  Chainsaws
    •  Brushcutters-Trimmers
    •  Blowers
    •  Scarifiers
    •  Tillers
  •  New products
    •  Lawn Mowers
    •  Lawn Tractors
    •  Front Cut Mowers & Decks
    •  Tractor & Front Cut Accessories
    •  Hedge Trimmers
    •  Trimmers
    •  Cultivators
    •  Blower Vacs
    •  Robot Mowers
    •  Scarifiers
    •  Chainsaws
    •  All Stiga Battery Machinery
    •  Stiga Garden Hand Tools
  • Contact Us

Search by model number

Search by part number

  • Home
  • Stiga Spares
  • Chainsaws
  • Petrol
  • 2017
  • SP 386 [240381602-S17]

SP 386 [240381602-S17]

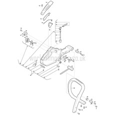
Assembly List For Stiga 2017 Model SP 386 [240381602-S17]

Engine 1

Engine 1 spare parts
View Components

Engine 2

Engine 2 spare parts
View Components

Engine - Carburetor

Engine - Carburetor spare parts
View Components

Housing 1

Housing 1 spare parts
View Components

Housing 2

Housing 2 spare parts
View Components

Housing 3

Housing 3 spare parts
View Components

Customer reviews

Website offers clear exploded view/part numbers to accurately identify & order relevant parts.
Richard Swann
24/02/2026
Everything was fine with the ordering and delivery. My only suggestion is more communication between order and delivery. After the order confirmation I heard nothing until the product was delivered two weeks later. At that point I wasn’t sure if the order had been processed and was about to call you, however, the product turned up that very day. Hope this is seen as constructive criticism.
Ian Brown
24/02/2026
Excellent service from World of Mowers. Many thanks.
David Dalley
13/02/2026
1st class service when I needed a part for my Mountfield ride on mower.
Alex oldman
12/02/2026

View all
All our prices include VAT
Get in Touch

Contact Us

  • Address: Criftin Enterprise Centre, Unit 8, Oxton Road, Epperstone, Nottingham, NG14 6AT

  • Phone: 0115 920 0099

  • Email: info@worldofmowers.co.uk

Product categories

  • Lawn Mowers

  • Lawn Tractors

  • Front Cut Mowers & Decks

  • Tractor & Front Cut Accessories

  • Hedge Trimmers

  • Trimmers

  • Cultivators

  • Blower Vacs

  • Robot Mowers

  • Scarifiers

  • Chainsaws

  • All Stiga Battery Machinery

  • Stiga Garden Hand Tools

Spare parts

  • Front Mowers

  • Lawn Tractors

  • Lawn Mowers

  • Chainsaws

  • Brushcutters-Trimmers

  • Blowers

  • Scarifiers

  • Tillers

Our Blog

  • A Notice On Stock Shortages

    02 July 2022

    In the current climate all business’ have taken a hit from Brexit, the pandemicas well as shortages of vital components needed for the manufacture of heavygoods and machinery, and here at World of Mowers it has finally caught up tous. We value our customers dearly and try to ensure the best possibleshopping experien ... Read More

World of Mowers

© Copyright 2026. All Rights Reserved.

  • About Us
  • Terms & Conditions
  • Privacy
  • Cookie Policy
  • FAQ's
  • Sitemap
  • Contact Us
By using this site you agree to our Terms and Conditions and our Cookie Policy.
Please Accept these before using the site.