HYDROSTATIC TRANSMISSION - LONCIN

HYDROSTATIC TRANSMISSION - LONCIN assembly details for Stiga TORNADO 5108 (2T1215481/ST1) 2023 model

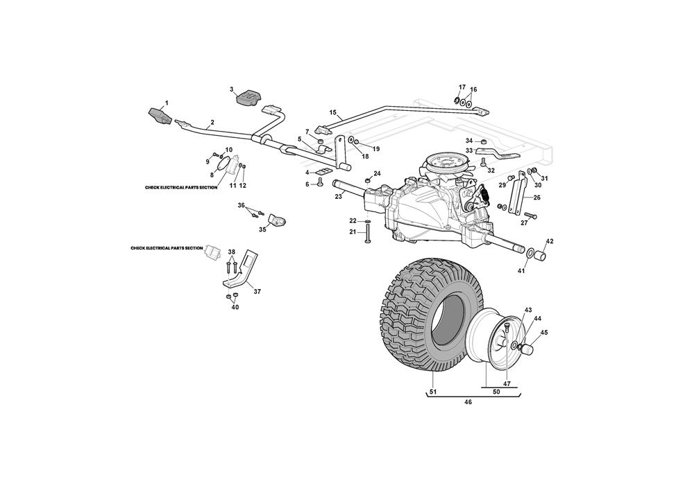
Parts list

Match the number with the image on the left and click "Add" button to add the item to your basket

Please note, that the prices are for individual items

Items might appear more than once on the drawing, please check and adjust the quantity you require.

RefNoDescriptionPrice
001325110274/0FRONT PEDAL COVER [BLACK]£6.27 Add to
002382000574/2DRIVE/REVERSE LEVER ASSEMBLY£54.79 Add to
003325110331/0REVERSE GEAR PEDAL [BLACK]£7.36 Add to
004325785350/0AXLE FEED PEDA SUPPORT SD98 HYDRO£2.06 Add to
005325547231/1LIFTING DECK AXLE PLATE£4.78 Add to
006112735599/0SELF-TAPPING SCREW M6 x 16£2.06 Add to
007112154510/0LOW SELF-LOCKING NUT M6 UNI7474 ACC.6S£2.06 Add to
008327546019/0WZ MICRO NEUTRAL FIX PLATE£1.79 Add to
009112735602/0"SELF-FORMING SCREW M3 x 20 ""TAPTITE""£2.06 Add to
010112540020/0EXTERNAL TOOTHED WASHER M4£2.06 Add to
011112581100/0WASHER GROWER M3 UNI 1751 WZ£1.79 Add to
012112290791/0HEXAGON NUT M3 UNI 5588 ACC.6S£2.06 Add to
015382000573/1CONTROL ROD ASSEMBLY£32.99 Add to
016325670011/0ANTI-FRICTION WASHER 8.2 x 19 x 0.8£2.06 Add to
017112000940/0CIRCLIP D=7£2.06 Add to
018112523040/0WASHER M6 6.6 x 18 x 1.6£2.06 Add to
019112154510/0LOW SELF-LOCKING NUT M6 UNI7474 ACC.6S£2.06 Add to
021112691600/0HEX-HEAD SCREW M8x70 UNI 5737 ACC.8.8£1.91 Add to
022112521350/0WASHER M8 8.4 x 16 x 1.6£2.06 Add to
023118401022/0HYDRO TRANSAXLE LONCIN H2I-E80-3LT4£731.86 Add to
024112155000/0LOW SELF-LOCKING NUT M8£2.06 Add to
026325785349/1TRANSAXLE SUPPORT£13.08 Add to
027112691800/0HEX-HEAD SCREW M8 x 60£2.06 Add to
029112792611/0SCREW TE M8x16 UNI 5739 ACC.8.8£2.06 Add to
030112523060/0WASHER M8 8.4 X 24 X 2£2.06 Add to
031112155000/0LOW SELF-LOCKING NUT M8£2.06 Add to
032112791400/0SCREW TE M6x20 UNI 5739 ACC.4.8£1.79 Add to
033325318251/0DUMP VALVE LEVER£3.24 Add to
034112154510/0LOW SELF-LOCKING NUT M6 UNI7474 ACC.6S£2.06 Add to
035325060034/1REVERSE SWITCH CAM£2.47 Add to
036112735402/0FLANGED HEX-HEAD SCREW D=6 x 18 WZ£2.06 Add to
037325774573/0MICRO SWITCH SUPPORT CLAMP£5.60 Add to
038112791400/0SCREW TE M6x20 UNI 5739 ACC.4.8£1.79 Add to
040112154510/0LOW SELF-LOCKING NUT M6 UNI7474 ACC.6S£2.06 Add to
041125670005/2SPINDLE WASHER£3.89 Add to
042125160058/2WHEELS SPACER£6.11 Add to
043125670005/2SPINDLE WASHER£3.89 Add to
044112001010/0CIRCLIP ID=0,580 TH=0.050£1.76 Add to
047125950000/0PNEUMATIC VALVE£5.73 Add to
050182001509/1REAR WHEEL RIM 7.5" X 8" DARK GREY£83.78 Add to