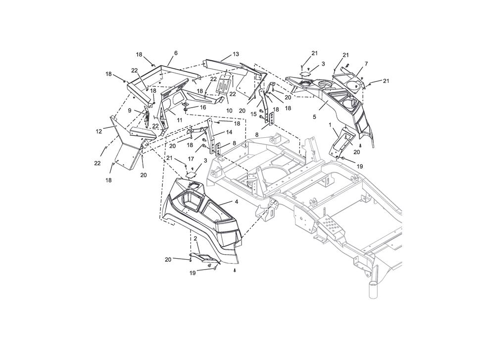
ENGINE GUARD & FENDERS assembly details for Stiga ZT 7132 T (2F1020861/ST1) 2022 model
Parts list
Match the number with the image on the left and click "Add" button to add the item to your basket
Please note, that the prices are for individual items
Items might appear more than once on the drawing, please check and adjust the quantity you require.
An excellent service. I needed a tensioner spring for my old ATCO mower and I found exactly what I wanted on World of Mowers website. Using the part number I quickly identified the spring and ordering it was simple. It arrived on time as promised.
Philip Davies
28/05/2026
Very pleased. Good range of spares, reasonably priced and quickly despatched.
Peter Cannan
28/05/2026
Ordered 2pm, arrived by Royal Mail next day. Great service
steven williams
28/05/2026
Brilliant to have a specialised website for all things mower. I was able to identify and order all the necessary parts I needed for a 2013 Mountfield mower so I was very pleased. Took longer to come than anticipated and no prior notice of this wait. I had to chase to find out what was happening but I got prompt responses to my email. Other than that, very pleased.
Veryan Evans
28/05/2026
All our prices include VAT