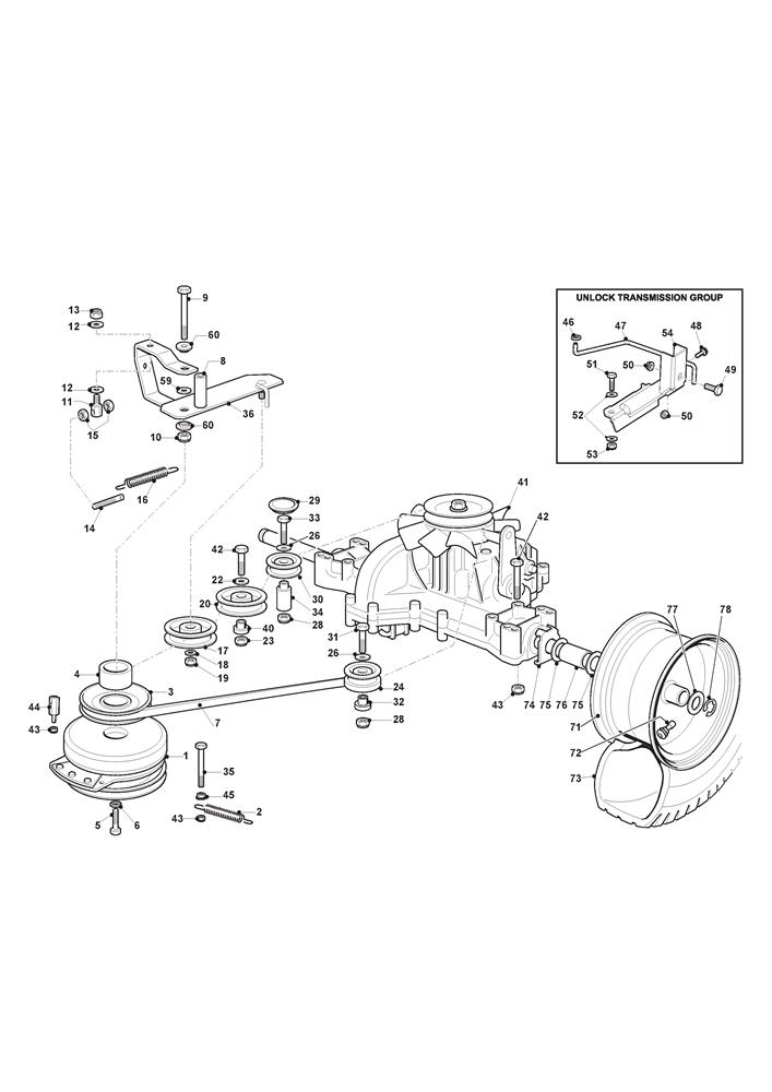
TRANSMISSION WITH ELECTROMAGNETIC CLUTCH

TRANSMISSION WITH ELECTROMAGNETIC CLUTCH assembly details for Stiga TORNADO 9121 WX (2T3040381/ST2) 2022 model

Parts list

Match the number with the image on the left and click "Add" button to add the item to your basket

Please note, that the prices are for individual items

Items might appear more than once on the drawing, please check and adjust the quantity you require.

RefNoDescriptionPrice
001118399071/2ELECTROMAGNETIC CLUTCH HF26 HONDA£377.88 Add to
002127430592/0BLADE BRAKE SPRING NR 66£6.14 Add to
003182595502/0ENGINE SHAFT PULLEY£49.34 Add to
004125160059/0PULLEY SPACER L=25.8£6.69 Add to
005125943013/0THREADED SCREW 7/16" x 4 1/2"£12.96 Add to
006112543000/0SAFETY WASHER D=7/16£2.06 Add to
007135062029/0TRANSMISSION BELT TC HE C53I£115.38 Add to
008125160054/0SPACER£4.52 Add to
009112793905/0HEX-HEAD SCREW M8 x 70£2.32 Add to
010112155000/0LOW SELF-LOCKING NUT M8£2.06 Add to
011125510168/0WHITE Z.PUMP BRAKE CONTROL ROD F72 (FROM 01/06/2020 ONLY ON STEEL FORECARRIAGE EQUALIZER ASSY)£4.91 Add to
012325670011/0ANTI-FRICTION WASHER 8.2 x 19 x 0.8£2.06 Add to
013112155000/0LOW SELF-LOCKING NUT M8£2.06 Add to
014125840005/0TIE ROD£2.87 Add to
015112293200/0HEXAGON NUT M8 UNI 5588 ACC.6S£1.86 Add to
016125430219/1SPRING£3.96 Add to
017125601554/0PULLEY£26.18 Add to
018112523060/0WASHER M8 8.4 X 24 X 2£2.06 Add to
019112155000/0LOW SELF-LOCKING NUT M8£2.06 Add to
020325601599/0PULLEY (STEEL) (BEARING HOLE D 15)£19.62 Add to
022112523060/0WASHER M8 8.4 X 24 X 2£2.06 Add to
023112155000/0LOW SELF-LOCKING NUT M8£2.06 Add to
024382601522/0PULLEY [NTN]£24.95 Add to
026112523060/0WASHER M8 8.4 X 24 X 2£2.06 Add to
028112155000/0LOW SELF-LOCKING NUT M8£2.06 Add to
029125109521/1COVER£2.06 Add to
030325601570/1BELT PULLEY£24.95 Add to
031112691115/0HEX-HEAD SCREW M8 x 40£2.06 Add to
032127160064/0TRACTION PULLEY SPACER NR66£5.46 Add to
033112691400/0HEX-HEAD SCREW M8 X 50£1.76 Add to
034125160024/2PULLEY SPACER£8.21 Add to
035112691100/0HEX-HEAD SCREW M8 x 35£2.81 Add to
036382318251/1LEVER£46.77 Add to
040125160056/0PULLEY SPACER£4.23 Add to
041118400975/0HYDRO TRANSAXLE K574D£1,635.51 Add to
042112691800/0HEX-HEAD SCREW M8 x 60£2.06 Add to
043112154210/0SELF-LOCK WINGED NUT M8 DIN 6927£2.06 Add to
044125598055/0CLUTCH PIN EXTENSION£15.13 Add to
045112154220/0SELF-LOCK FLANGED NUT M8£3.03 Add to
046112604896/0STARLOCK WASHER D=6£2.06 Add to
047125033130/0HYDRO UNLOCK ROD£7.92 Add to
0489959-0820-16FLANGED SCREW M8 x 20 8.8 DIN 6921£2.06 Add to
049112793102/0SCREW TE M8x20 UNI 5739 ACC.8.8£2.06 Add to
050112293201/0HEXAGON NUT M8 WITH EXAGONAL FLANGE£2.06 Add to
051112691115/0HEX-HEAD SCREW M8 x 40£2.06 Add to
052112521350/0WASHER M8 8.4 x 16 x 1.6£2.06 Add to
053112155000/0LOW SELF-LOCKING NUT M8£2.06 Add to
054382785283/0CTP MTR HE SD REAR TRASM. SUPPORT ASSY£87.50 Add to
059125670007/0FIXING WASHER£2.06 Add to
060125038002/1BUSH£2.06 Add to
071182001504/0REAR WHEEL RIM 6" x 10"£124.29 Add to
072125950000/0PNEUMATIC VALVE£5.73 Add to
073125590030/0TYRE 20 x 10.00-10 [WANDA] PLY4 P519B£129.74 Add to
074325670025/0SPACER WASHER TT£4.27 Add to
075112521410/0WASHER M20 21 x 37 x 3£1.91 Add to
076125160023/0SPACER£7.34 Add to
077125670005/2SPINDLE WASHER£3.89 Add to
078112001010/0CIRCLIP ID=0,580 TH=0.050£1.76 Add to