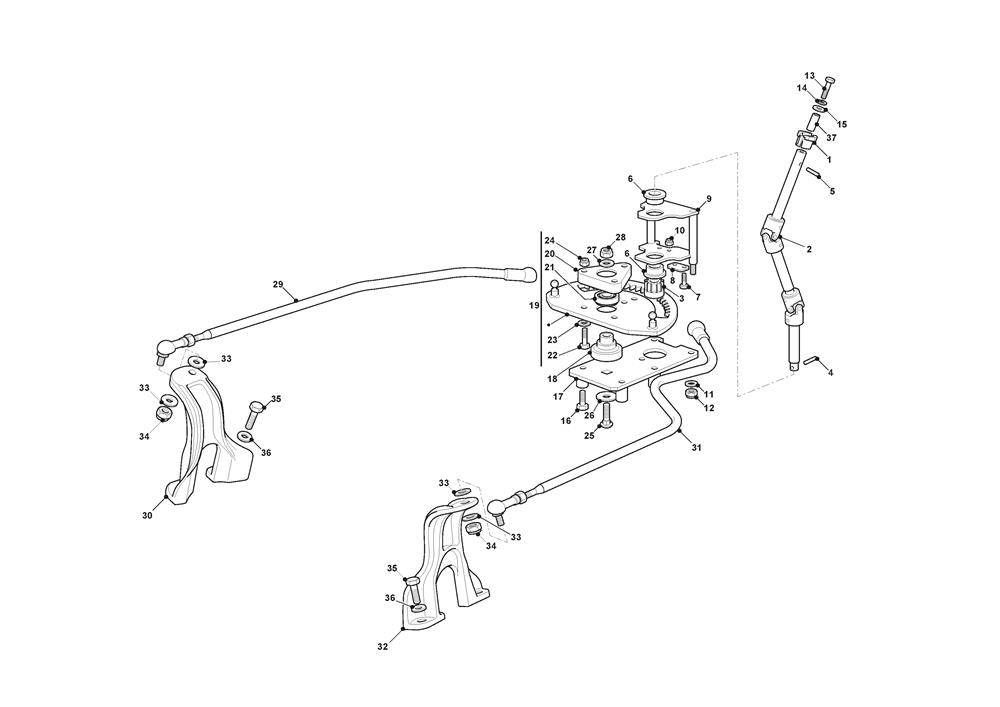
STEERING

STEERING assembly details for Stiga TORNADO 9121 WX (2T3040381/ST2) 2022 model

Parts list

Match the number with the image on the left and click "Add" button to add the item to your basket

Please note, that the prices are for individual items

Items might appear more than once on the drawing, please check and adjust the quantity you require.

RefNoDescriptionPrice
001125034004/0STEERING COLUMN BUSH£6.09 Add to
002382543053/0STEERING COLUMN£310.58 Add to
003125570006/1STEERING PINION GEAR£70.16 Add to
005112620250/0PIN 6 x 24£2.06 Add to
006125034004/0STEERING COLUMN BUSH£6.09 Add to
007112788910/0HEX-HEAD SCREW M5 x 16£2.06 Add to
008325487000/0PLATE£9.96 Add to
009382785209/0SUPPORT ASSEMBLY£68.42 Add to
010112154330/0LOW SELF-LOCKING NUT M5£2.06 Add to
011112521360/0WASHER M10 10.5 x 20 x 2£2.06 Add to
012112156602/0LOW SELF-LOCKING NUT M10£1.79 Add to
013112691100/0HEX-HEAD SCREW M8 x 35£2.81 Add to
014112583500/0WASHER M8 UNI 1751 WZ£2.06 Add to
015122671651/0WASHER 8.3 x 22 x 2£2.32 Add to
016122671651/0WASHER 8.3 x 22 x 2£2.32 Add to
017382785207/0SUPPORT PLATE£84.77 Add to
018125040641/0SUPPORT BUSH£20.66 Add to
019382735523/0STEERING QUADRANT ASSEMBLY£191.07 Add to
020325774453/0BEARING BRACKET£25.44 Add to
022112691100/0HEX-HEAD SCREW M8 x 35£2.81 Add to
023122671651/0WASHER 8.3 x 22 x 2£2.32 Add to
024112155000/0LOW SELF-LOCKING NUT M8£2.06 Add to
026112521395/0WASHER M16 17 x 30 x 3£2.06 Add to
027112521370/0WASHER M12 13 24 x 2.5£2.06 Add to
028112156603/0SELF-LOCKING NUT M12£2.06 Add to
029382000622/0RIGHT STEERING ROD£150.15 Add to
030325774491/1STEERING WHEEL BRACKET£46.61 Add to
031382000624/1LEFT STEERING ROD£144.46 Add to
032325774493/0STEERING WHEEL BRACKET£57.51 Add to
034112155700/0NUT M14£2.87 Add to
035112760585/0HEX-SOCKET HEAD SCREW M12 x 35£2.06 Add to
036112521370/0WASHER M12 13 24 x 2.5£2.06 Add to
037125160063/0SPACER£7.04 Add to