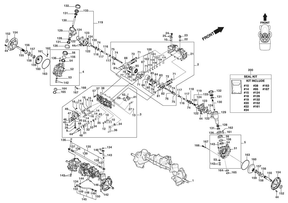
TRANSMISSION - KXH7ND

TRANSMISSION - KXH7ND assembly details for Stiga ESTATE 9102 WX (2T1430381/ST2) 2022 model

Parts list

Match the number with the image on the left and click "Add" button to add the item to your basket

Please note, that the prices are for individual items

Items might appear more than once on the drawing, please check and adjust the quantity you require.

RefNoDescriptionPrice
001118400974/0HYDRO TRANSAXLE KXH7N£2,310.04 Add to
0031139-2700-01MOTOR COVER COMPLETE£2,288.69 Add to
0041139-2731-01FRONT GEAR BOX LEFT COMPLETE£1,198.76 Add to
0051139-2732-01FRONT GEAR BOX RIGHT COMPLETE£1,245.86 Add to
0101139-1115-01O RING£1.79 Add to
0111139-1102-01WASHER£5.75 Add to
0121139-1127-01NUT£3.40 Add to
0151139-2679-01BACK-UP RING£26.63 Add to
0161139-2706-01JOINT PIPE£48.29 Add to
0181139-2683-01PACKING P8.0£6.13 Add to
0201139-2688-01BACKUP RING T2P 9£10.61 Add to
0211139-2721-01FRONT AXLE CASE£956.57 Add to
0221139-1116-01O RING£2.87 Add to
0251139-2680-01ELBOW£16.55 Add to
0261139-2736-01BYPASS PIN£75.20 Add to
0271139-2710-01FULCRUM£63.11 Add to
0311139-2705-01ADJUST PLATE£38.87 Add to
0321139-2709-01CONTROL LEVER£104.81 Add to
0331139-1589-01NUT 8£2.47 Add to
0351139-2704-01CONTROL SHAFT£114.24 Add to
0361139-2708-01CAM LEVER£142.48 Add to
0371139-2701-01MOTOR COVER£539.44 Add to
0381139-2702-01GASKET COVER£34.85 Add to
0391139-2707-01RETURN SPRING£30.80 Add to
0411139-2703-01CONTROL ARM£110.20 Add to
0491139-2735-01CONNECTING BLOCK BPS£485.62 Add to
0541139-2724-01BEARING 6906 C3£75.20 Add to
0561139-2725-01BEARING 6908 C3£96.73 Add to
0731139-2741-01MOTOR SHAFT 7CC£112.88 Add to
0741139-2711-01BEARING 6001 C3£23.14 Add to
0821139-2738-01SWASH SUPPORT RIGHT£149.21 Add to
0841139-1475-01SWASH PLATE£20.04 Add to
0851139-1501-01BEARING£40.64 Add to
0881139-2737-01SWASH SUPPORT LEFT£155.94 Add to
1001139-2742-01CENTER CASE (7CC) COMPLETE£700.90 Add to
1011139-2739-01CHECK VALVE COMPLETE£55.28 Add to
1021139-2740-01COLLAR£11.96 Add to
1031139-2678-01SCREEN£32.15 Add to
1161139-2713-01JOINT SHAFT N£98.08 Add to
1171139-2712-01SPLINE COLLAR B£69.82 Add to
1181139-2714-01BEARING 6002 C3£24.22 Add to
1191139-2733-01BEVEL GEAR SET£297.23 Add to
1231139-2718-01AXLE FLANGE£310.69 Add to
1241139-2687-02SEAL KIT£233.71 Add to
1261139-2690-01SEAL TC466411£29.46 Add to
1281139-2716-01FINAL PINION GEAR (9T)£182.86 Add to
1291139-2722-01FRONT GEAR CASE£909.47 Add to
1301139-2715-01SHAFT FRONT 2ND£90.00 Add to
1311139-2717-01BEARING 6003 C3£25.56 Add to
1321139-2723-01SEAL CAP 56£26.36 Add to
1351139-2697-01TIE ROD COMPLETE N£431.78 Add to
1361139-2698-01TIE ROD PIN LEFT£118.26 Add to
1431139-2699-01TIE ROD PIN RIGHT£169.39 Add to
1441139-2719-01BUSHING 10£6.42 Add to
1451139-2720-01STEERING ROD COMPLETE N£256.86 Add to
1521139-2689-01SEAL TC254707£26.63 Add to
1541139-2728-01FRONT BEARING COVER£377.96 Add to
1551139-2726-01FRONT AXLE SHAFT£357.78 Add to
1581139-2730-01BEARING 6005 C3£36.19 Add to
1591139-2729-01BEARING 6004 C3£30.80 Add to
1601139-2727-01FINAL GEAR (51T)£324.14 Add to
1631139-2687-02SEAL KIT£233.71 Add to
1641139-2681-01COLLAR 30 38 4£13.58 Add to
1671139-1103-01SEAL WASHER£6.31 Add to
2001139-2734-01SEAL KIT (KXH7ND)£322.70 Add to