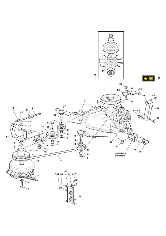
HYG TRANSMISSION WITH WARNER ELECTROMAGNETIC CLUTCH

HYG TRANSMISSION WITH WARNER ELECTROMAGNETIC CLUTCH assembly details for Stiga ESTATE 7102 W (2T0980481/ST2) 2022 model

Parts list

Match the number with the image on the left and click "Add" button to add the item to your basket

Please note, that the prices are for individual items

Items might appear more than once on the drawing, please check and adjust the quantity you require.

RefNoDescriptionPrice
001125601577/0PULLEY£46.61 Add to
002112737320/0THREADED SCREW 7/16" x 3" 20 UNF£4.78 Add to
003112543000/0SAFETY WASHER D=7/16£2.06 Add to
004135062019/0TRANSMISSION BELT A96 1/2 (HYDRO-GEAR)£38.88 Add to
005382318165/2LEVER£26.62 Add to
006112793905/0HEX-HEAD SCREW M8 x 70£2.32 Add to
007125038002/1BUSH£2.06 Add to
008112155000/0LOW SELF-LOCKING NUT M8£2.06 Add to
009125160027/0SPACER£2.87 Add to
010125601554/0PULLEY£26.18 Add to
011112523060/0WASHER M8 8.4 X 24 X 2£2.06 Add to
013125840010/1TIE ROD£2.32 Add to
014112293200/0HEXAGON NUT M8 UNI 5588 ACC.6S£1.86 Add to
015125430219/1SPRING£3.96 Add to
017325601599/0PULLEY (STEEL) (BEARING HOLE D 15)£19.62 Add to
019125160056/0PULLEY SPACER£4.23 Add to
020112691800/0HEX-HEAD SCREW M8 x 60£2.06 Add to
021325601570/1BELT PULLEY£24.95 Add to
022125160030/2PULLEY SPACER£6.47 Add to
023125160024/2PULLEY SPACER£8.21 Add to
024112691115/0HEX-HEAD SCREW M8 x 40£2.06 Add to
025112691400/0HEX-HEAD SCREW M8 X 50£1.76 Add to
026118802723/0HYDRO FAN KIT£135.19 Add to
027118870130/0HYDRO GEAR FAN [T2-ADBF-2X3C-17X1]£24.74 Add to
028125109521/1COVER£2.06 Add to
029125160059/0PULLEY SPACER L=25.8£6.69 Add to
030118399062/1ELECTROMAGNETIC CLUTCH 1-5217-38 (NO RETURNS ON TH£355.85 Add to
031125430210/1BRAKE SPRING£3.00 Add to
041118400990/0TRANSAXLE HYDRO-GEAR TC£1,179.00 Add to
042112691600/0HEX-HEAD SCREW M8x70 UNI 5737 ACC.8.8£1.91 Add to
044112154210/0SELF-LOCK WINGED NUT M8 DIN 6927£2.06 Add to
051112154510/0LOW SELF-LOCKING NUT M6 UNI7474 ACC.6S£2.06 Add to
052325318253/0DUMP VALVE LEVER£5.19 Add to
053112791213/1SCREW M6 X 18£1.74 Add to
054112523040/0WASHER M6 6.6 x 18 x 1.6£2.06 Add to
055112293201/0HEXAGON NUT M8 WITH EXAGONAL FLANGE£2.06 Add to
056382785199/0SUPPORT BRACKET£27.27 Add to
057112691700/0SCREW M8 x 55£1.91 Add to
058112155000/0LOW SELF-LOCKING NUT M8£2.06 Add to
059112793701/0HEX-HEAD SCREW M8 x 30£1.76 Add to
060112521350/0WASHER M8 8.4 x 16 x 1.6£2.06 Add to
061382394853/0LCMICRO SWITCH ASSEMBLY£57.52 Add to
062119410609/1LCNEUTRAL KEDU SWITCH [HYDRO]£28.90 Add to
063112735602/0"SELF-FORMING SCREW M3 x 20 ""TAPTITE""£2.06 Add to
064112581100/0WASHER GROWER M3 UNI 1751 WZ£1.79 Add to
065112290791/0HEXAGON NUT M3 UNI 5588 ACC.6S£2.06 Add to
066112735110/0FLANGED SELF-TAP SCREW 4.8 X 13£2.81 Add to
067114370818/0TRANSMISSION UNLOCK LABEL£2.74 Add to
075125670005/2SPINDLE WASHER£3.89 Add to
076125160023/0SPACER£7.34 Add to