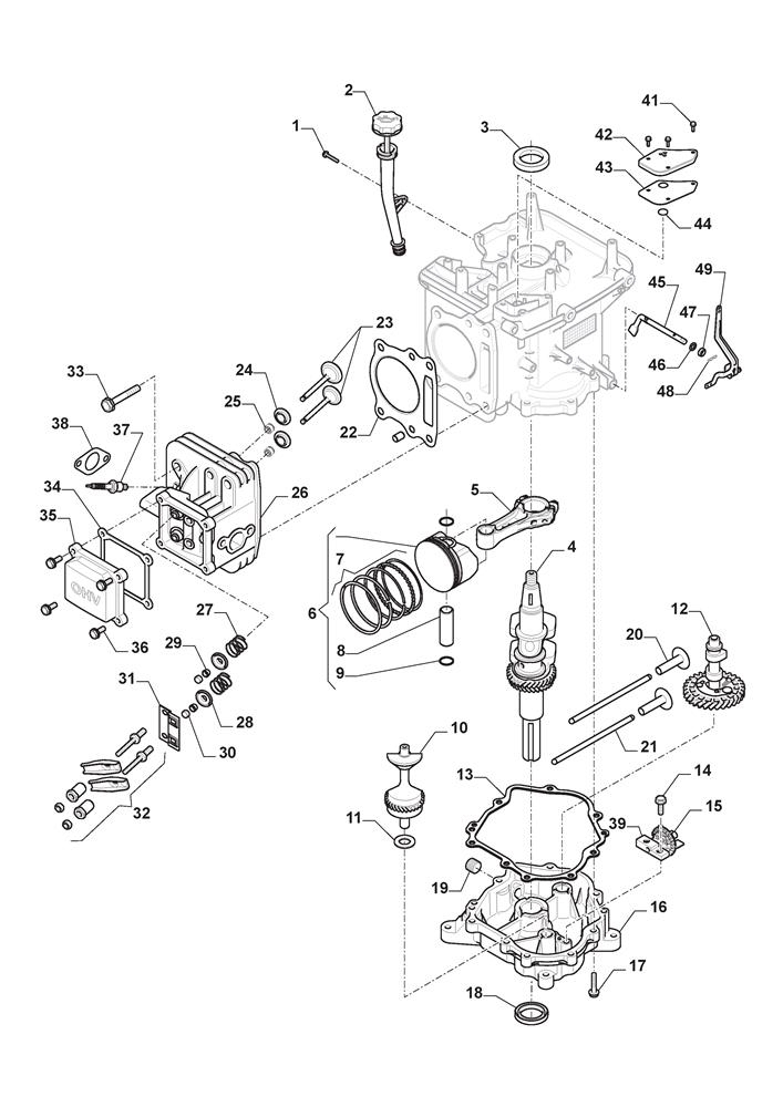
ENGINE - PISTON , CRANKSHAFT

ENGINE - PISTON , CRANKSHAFT assembly details for Stiga ESTATE 384 M (2T2000481/ST3) 2022 model

Parts list

Match the number with the image on the left and click "Add" button to add the item to your basket

Please note, that the prices are for individual items

Items might appear more than once on the drawing, please check and adjust the quantity you require.

RefNoDescriptionPrice
0019959-0620-16SCREW£2.32 Add to
002118551375/0OIL FILLER ASSEMBLY£24.95 Add to
003118551418/0OIL SEAL£10.36 Add to
004118551387/0CRANKSHAFT£173.63 Add to
005118551386/0CONNECTING ROD£44.72 Add to
006118551423/0PISTON KIT£59.51 Add to
007118551385/0PISTON RING SET£28.90 Add to
008118551384/0PISTON PIN£6.94 Add to
009118551283/0PISTON PIN CLIP£1.79 Add to
010118551388/0BALANCING SHAFT£0.49 Add to
011118551282/0FLAT WASHER£2.32 Add to
012118551389/0CAMSHAFT£70.06 Add to
013118551376/0CRANKCASE COVER GASKET£15.00 Add to
015118551403/0SPEED GOVERNOR GEAR£15.13 Add to
016118551425/0CRANKCASE COVER£154.73 Add to
0179959-0840-16SCREW M6SF M8 x 40£4.23 Add to
018118551418/0OIL SEAL£10.36 Add to
019118552561/0OIL DRAIN PLUG£8.17 Add to
020118551252/0VALVE LIFTER£5.24 Add to
021118551390/0PUSH ROD£6.27 Add to
022118552576/0GASKET£15.24 Add to
023118551289/0INTAKE-EXHAUST VALVES£29.80 Add to
024118551245/0SEAT VALVE PLATE£3.55 Add to
025118551248/0VALVE STEM SEAL£8.60 Add to
026118551380/0CYLINDER HEAD£135.19 Add to
027118550529/0VALVE SPRING£6.42 Add to
028118551246/0VALVE SPRING RETAINER£4.68 Add to
029118551247/0VALVE PLATE£2.06 Add to
030118551244/0VALVE CAP£3.41 Add to
031118551391/0PUSH ROD GUIDE PLATE£4.64 Add to
032118551510/0ROCKER ARM SET£7.92 Add to
033118551427/0SCREW£0.49 Add to
034118551383/0CYLINDER HEAD COVER GASKET£9.00 Add to
035118551382/0CYLINDER HEAD COVER£15.41 Add to
0379400-0244-00SPARK PLUG [CHAMPION RC12YC]£5.28 Add to
038118551272/0MUFFLER GASKET£2.87 Add to
039118551269/0HOLDER PLATE£7.36 Add to
0419959-0616-16SCREW M6SF M6 X 16£2.06 Add to
044118551379/0VALVE£1.79 Add to
045118550936/0GOVERNOR ARM SHAFT£6.95 Add to
049118551401/0SPEED REGULATING BRACKET£6.55 Add to