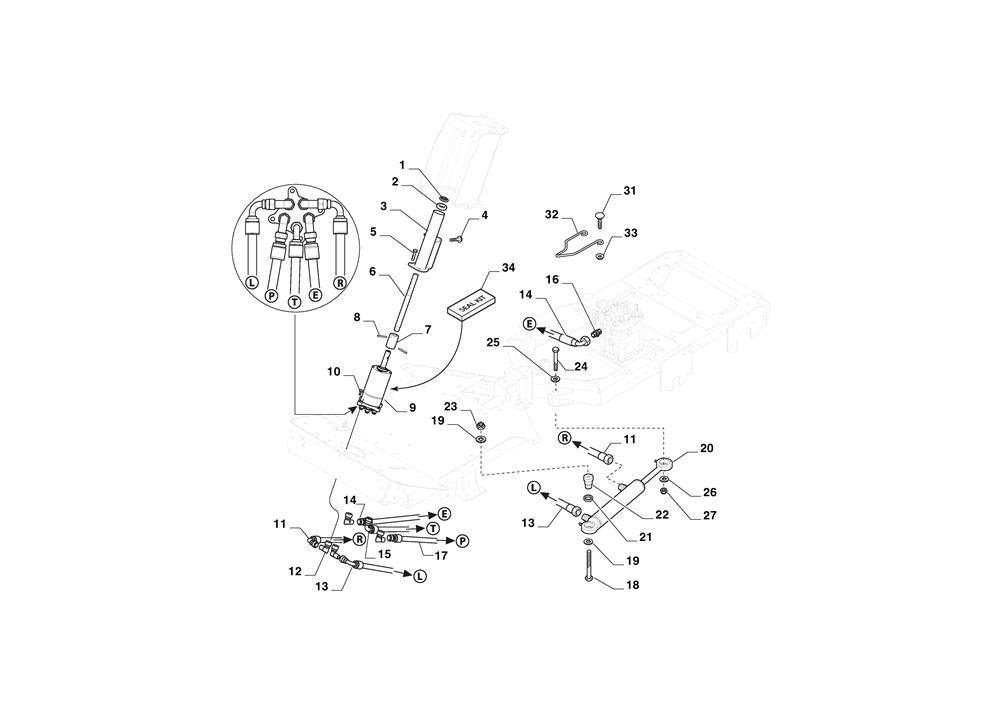
STEERING

STEERING assembly details for Stiga PARK PRO 900 WX (2F6430831/ST2) 2023 model

Parts list

Match the number with the image on the left and click "Add" button to add the item to your basket

Please note, that the prices are for individual items

Items might appear more than once on the drawing, please check and adjust the quantity you require.

RefNoDescriptionPrice
0061137-0045-01STEERING ROD£54.04 Add to
007137040601/0STEERING LINKAGE SPACER£21.40 Add to
009187305500/0STEERING BOOSTER£1,199.45 Add to
012112000401/090° TUBE CONNECTOR£12.96 Add to
0161134-4282-01HYDRAULIC NIPPLE£46.61 Add to
018112760572/0SCREW M10 x 80£5.87 Add to
019112521360/0WASHER M10 10.5 x 20 x 2£2.06 Add to
020187584001/0STEERING CYLINDER£613.49 Add to
0211134-0052-00SPACER£8.87 Add to
022137510301/0STEERING PISTON PIN£13.91 Add to
023112156602/0LOW SELF-LOCKING NUT M10£1.79 Add to
024112692080/0HEX-HEAD SCREW M8 x 90£2.06 Add to
025112521350/0WASHER M8 8.4 x 16 x 1.6£2.06 Add to
026112524010/0WASHER M8 8.4 x 24 x 4£1.91 Add to
027112155000/0LOW SELF-LOCKING NUT M8£2.06 Add to
031112815200/0SCREW TTDQ M6X16£2.06 Add to
032137295200/0CENTRAL HOSE FIXING GUIDE£20.58 Add to
033112292102/0FLANGED HEXAGONAL NUT M6£2.06 Add to
0341139-2081-01SEAL KIT£197.87 Add to