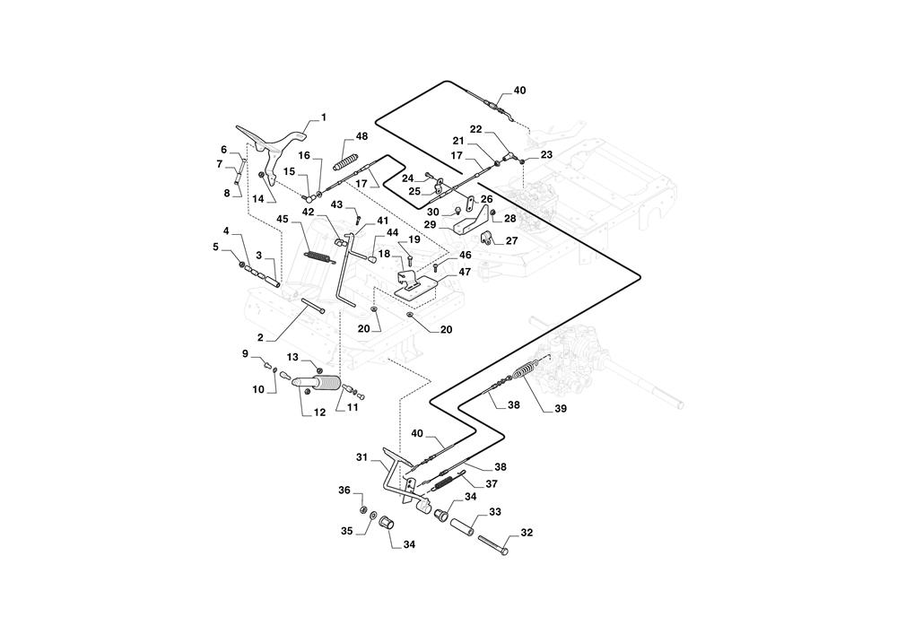
FOOT CONTROLS

FOOT CONTROLS assembly details for Stiga PARK PRO 900 WX (2F6430831/ST2) 2023 model

Parts list

Match the number with the image on the left and click "Add" button to add the item to your basket

Please note, that the prices are for individual items

Items might appear more than once on the drawing, please check and adjust the quantity you require.

RefNoDescriptionPrice
002112692050/0HEX-HEAD SCREW£1.91 Add to
003137160000/0SPACER£22.08 Add to
004137040600/0BUSH£3.83 Add to
005112155015/0SELF-GRIP NUT M8(FROM 1ST SEPT 2015)£2.06 Add to
006112760520/0HEXAGON SOCKET HEAD SCREW M8 x 45£2.06 Add to
0071134-1565-14SPACER£2.18 Add to
008112155015/0SELF-GRIP NUT M8(FROM 1ST SEPT 2015)£2.06 Add to
009112760600/1SCREW M8 x 16 GEO321A£2.74 Add to
010112583500/0WASHER M8 UNI 1751 WZ£2.06 Add to
011137510302/0PIN£5.73 Add to
0121134-4187-01DAMPER£168.19 Add to
013112155000/0LOW SELF-LOCKING NUT M8£2.06 Add to
014112154330/0LOW SELF-LOCKING NUT M5£2.06 Add to
017187000210/0FORWARD/REVERSE CABLE£88.85 Add to
020112292102/0FLANGED HEXAGONAL NUT M6£2.06 Add to
023112154330/0LOW SELF-LOCKING NUT M5£2.06 Add to
024112789021/0HEX-HEAD SCREW M5 X 20 UNI 5739£1.81 Add to
0251134-0266-00ATTACHING CLAMP£7.36 Add to
027118375061/0HOSE CLAMP£5.34 Add to
0331134-5677-02SPACER£11.04 Add to
0341134-0068-00BUSH£4.78 Add to
038137065319/0BRAKE CABLE£37.76 Add to
0391134-5989-01SPRING£10.65 Add to
040137065318/0DRIVE CABLE PARK 4WD£35.71 Add to
0421134-4002-01BRAKE ROD ATTACHMENT£12.27 Add to
043112728697/0SELF-TAPPING SCREW TORX K50 x 16£2.06 Add to
0441134-2786-01PLASTIC KNOB£6.42 Add to
0451131-1497-01BRAKE SPRING£10.50 Add to