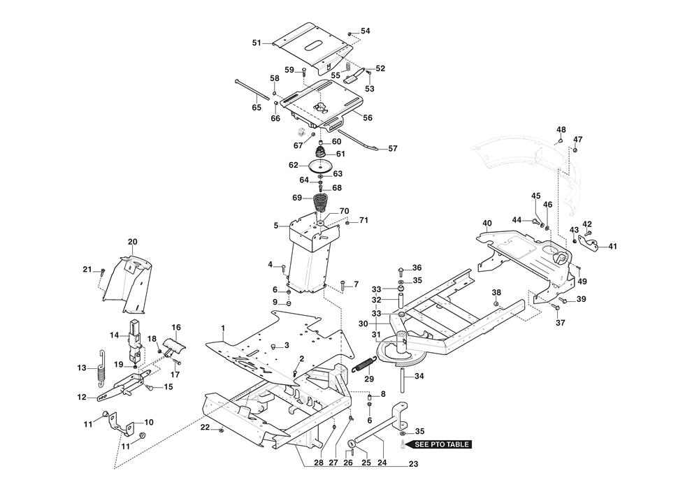
CHASSIS

CHASSIS assembly details for Stiga PARK 500 W (2F6120645/ST2) 2023 model

Parts list

Match the number with the image on the left and click "Add" button to add the item to your basket

Please note, that the prices are for individual items

Items might appear more than once on the drawing, please check and adjust the quantity you require.

RefNoDescriptionPrice
001387507505/1FLOOR PLATE£175.27 Add to
0029893-0616-16SCREW M6 x 16£2.47 Add to
0039403-0048-70COVER PLUG£9.68 Add to
005387785275/0SEAT SUPPORT ASSEMBLEY [BLACK]£114.96 Add to
006112155000/0LOW SELF-LOCKING NUT M8£2.06 Add to
0079897-0880-12SCREW MVBF 8 x 80£2.32 Add to
008137038008/0TRANSMISSION PULLEY BUSH£9.00 Add to
009118203854/0NUT CAP M8 [BLACK]£2.06 Add to
0101134-4117-01BRACKET£32.99 Add to
0111134-2684-01BUSH£7.10 Add to
012387256055/0LIFT LEVER ASSEMBLY£94.31 Add to
0134231-0013-00SPRING£8.87 Add to
0141134-4945-01LIFT CATCH ASSEMBLY£124.29 Add to
0151134-0240-00SCREW£9.14 Add to
016387500013/0LIFTING DECK PEDAL£26.46 Add to
018112292102/0FLANGED HEXAGONAL NUT M6£2.06 Add to
019112155000/0LOW SELF-LOCKING NUT M8£2.06 Add to
020387785243/0STEERING COLUMN COVER£157.20 Add to
022112154220/0SELF-LOCK FLANGED NUT M8£3.03 Add to
023387800011/0FRONT FRAME ASSEMBLY [2WD]£811.06 Add to
0251134-0031-00PIVOT SHAFT STOP£24.95 Add to
0269595-0262-00LOCATING PIN£2.06 Add to
0279501-0505-01GREASE NIPPLE M6X1 - 90°£3.08 Add to
028112379511/0STRAIGHT GREASE NIPPLE M6 x 1£2.06 Add to
0291134-2171-01SPRING£20.53 Add to
031112379511/0STRAIGHT GREASE NIPPLE M6 x 1£2.06 Add to
0321134-5705-01SPACER£19.36 Add to
0339547-0001-00BEARING£24.95 Add to
0341134-5988-01CENTRE SHAFT£22.76 Add to
035112521360/0WASHER M10 10.5 x 20 x 2£2.06 Add to
0369959-1025-16SCREW M6SF M10 x 25 TL£3.00 Add to
0379959-0820-16FLANGED SCREW M8 x 20 8.8 DIN 6921£2.06 Add to
038112154220/0SELF-LOCK FLANGED NUT M8£3.03 Add to
0399945-0816-16SCREW M8 X 16£2.54 Add to
0401134-5944-01TANK SHELF ASSEMBLY£279.64 Add to
0411134-5512-01TOWING PLATE£20.72 Add to
0429959-0820-16FLANGED SCREW M8 x 20 8.8 DIN 6921£2.06 Add to
043112154220/0SELF-LOCK FLANGED NUT M8£3.03 Add to
0441134-0240-00SCREW£9.14 Add to
0459665-0002-00BOWL WASHER£2.61 Add to
0461134-4242-01SPACER WASHER£4.78 Add to
047112155000/0LOW SELF-LOCKING NUT M8£2.06 Add to
0481134-4100-01PLUG£4.78 Add to
0499943-0516-16SCREW£2.40 Add to
0511134-6090-01UPPER SLIDE PLATE£99.76 Add to
0521134-6073-01HANDLE ASSEMBLY£41.16 Add to
0539893-0616-16SCREW M6 x 16£2.47 Add to
054112154510/0LOW SELF-LOCKING NUT M6 UNI7474 ACC.6S£2.06 Add to
0551134-3262-01SPRING£8.73 Add to
0561134-6068-01LOWER SLIDE PLATE£114.96 Add to
0571134-5179-01CATCH ROD£13.77 Add to
058112604899/0STARLOCK WASHER RPCO 308 D=8£2.06 Add to
059112691115/0HEX-HEAD SCREW M8 x 40£2.06 Add to
0601134-1565-06SPACER£11.32 Add to
0611134-5302-01SPRING£8.87 Add to
0621134-5299-01PUSH PLATE£17.86 Add to
0639699-0090-02WASHER 8.4 x 18 x 1.5£2.32 Add to
064112155000/0LOW SELF-LOCKING NUT M8£2.06 Add to
0661134-5626-03SPACER£2.87 Add to
067112155000/0LOW SELF-LOCKING NUT M8£2.06 Add to
0689924-1235-19SCREW MF6S M12 x 35£4.23 Add to
070137160001/0SPACER WASHER£10.26 Add to
071112156603/0SELF-LOCKING NUT M12£2.06 Add to