TRANSMISSION

TRANSMISSION assembly details for Stiga PARK 300 M (2F5820241/S16) 2023 model

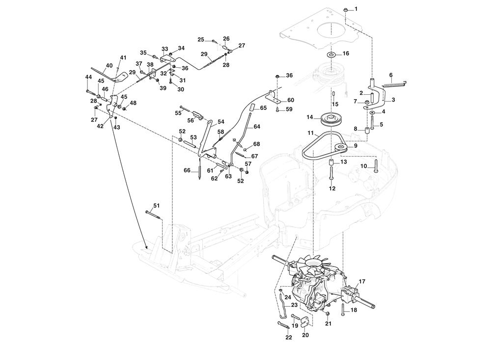
Parts list

Match the number with the image on the left and click "Add" button to add the item to your basket

Please note, that the prices are for individual items

Items might appear more than once on the drawing, please check and adjust the quantity you require.

RefNoDescriptionPrice
001112155000/0LOW SELF-LOCKING NUT M8£2.06 Add to
002137038008/0TRANSMISSION PULLEY BUSH£9.00 Add to
0031137-0769-01TENSION ARM£30.56 Add to
004112523060/0WASHER M8 8.4 X 24 X 2£2.06 Add to
005112793905/0HEX-HEAD SCREW M8 x 70£2.32 Add to
0061131-1507-00SPRING£34.35 Add to
0079739-1031-22NUT M10£2.32 Add to
0081134-5210-05SPACER£7.36 Add to
009387605028/0TENSION ROLLER£46.79 Add to
010112692395/2SCREW M10 x 60£3.49 Add to
0111134-9168-01TRANSMISSION BELT£21.67 Add to
0129987-5332-16SCREW U6S 7/16" UNF x 32£2.47 Add to
0131137-0835-01SPACER£4.52 Add to
0141137-0714-01ENGINE PULLEY£26.16 Add to
0159600-0251-00KEY L=3/4"£4.91 Add to
0161134-5017-02WASHER 40 x 11.5 x 4£3.15 Add to
0171137-0890-01TRANSAXLE T2£874.01 Add to
0189960-0860-12SCREW M8 x 60£2.32 Add to
019112691400/0HEX-HEAD SCREW M8 X 50£1.76 Add to
0201137-0897-01STRUT£5.37 Add to
021112154220/0SELF-LOCK FLANGED NUT M8£3.03 Add to
0221137-0936-01SPRING£2.18 Add to
0231137-0834-01ROD£6.58 Add to
024112604896/0STARLOCK WASHER D=6£2.06 Add to
025112800815/0SCREW TE FL M8 x 16£2.06 Add to
0261134-4013-01SPACER£20.24 Add to
0279570-0001-00ELBOW LINK£18.90 Add to
0289739-0531-22NUT M5£2.47 Add to
0291134-2766-10SPEED CONTROL CABLE£87.07 Add to
030112789021/0HEX-HEAD SCREW M5 X 20 UNI 5739£1.81 Add to
0311134-0266-00ATTACHING CLAMP£7.36 Add to
032325547443/0CLAMP PLATE£3.94 Add to
0349739-0531-22NUT M5£2.47 Add to
0359959-0825-16SCREW FLANGED TE M6SF M8 x 25£2.06 Add to
036112292102/0FLANGED HEXAGONAL NUT M6£2.06 Add to
0379959-0620-16SCREW£2.32 Add to
038337774041/0CABLE BRACKET£7.92 Add to
039112154220/0SELF-LOCK FLANGED NUT M8£3.03 Add to
040337506741/0HYDROSTATIC PEDAL£34.35 Add to
0419893-0616-16SCREW M6 x 16£2.47 Add to
043112154330/0LOW SELF-LOCKING NUT M5£2.06 Add to
044112691800/0HEX-HEAD SCREW M8 x 60£2.06 Add to
0451134-6313-01BEARING£7.36 Add to
048112155000/0LOW SELF-LOCKING NUT M8£2.06 Add to
0519997-0811-02SCREW M6S M8 x 110£3.69 Add to
0521134-6313-01BEARING£7.36 Add to
054387500007/0PARKING PEDAL£41.87 Add to
055112794988/0SCREW M8 x 70 GEOMET 321A£6.55 Add to
0561137-0959-01PARKING BRAKE PEDAL£4.78 Add to
057112154220/0SELF-LOCK FLANGED NUT M8£3.03 Add to
0581137-0992-01BRAKE CABLE£41.16 Add to
0599959-0620-16SCREW£2.32 Add to
0611137-0825-01LOCKING ARM£8.73 Add to
0629893-0616-16SCREW M6 x 16£2.47 Add to
0631137-0872-01SPACER£2.06 Add to
064387318287/0PARKING BRAKE LEVER£17.92 Add to
0651137-0952-01KNOB£2.06 Add to
0661131-1507-00SPRING£34.35 Add to
0671137-1092-01SPRING£2.18 Add to
068112604899/0STARLOCK WASHER RPCO 308 D=8£2.06 Add to