Engine - B&S

Engine - B&S assembly details for Stiga Park Pro 340 IX (2F6430621/ST1) 2021 model

Parts list

Match the number with the image on the left and click "Add" button to add the item to your basket

Please note, that the prices are for individual items

Items might appear more than once on the drawing, please check and adjust the quantity you require.

RefNoDescriptionPrice
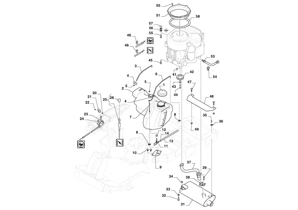
001137793050/0FUEL TANK CAP£44.00 Add to
002337735110/1FUEL TANK [15 LITRES]£132.33 Add to
003137840001/0FUEL TANK ROD£20.18 Add to
0041134-4481-02WING NUT£6.14 Add to
005112154510/0LOW SELF-LOCKING NUT M6 UNI7474 ACC.6S£2.06 Add to
006137840002/0FUEL TANK ROD£19.90 Add to
007137840003/0FUEL TANK ROD SUPPORT£5.46 Add to
0081134-4176-01CLIP£5.19 Add to
009337785023/0TANK SUPPORT BRACKET£31.17 Add to
0109945-0816-16SCREW M8 X 16£2.54 Add to
0111134-3224-01FUEL SHUT-OFF VALVE£24.95 Add to
012337260151/0GROMMET£6.55 Add to
0131134-2975-15FUEL HOSE (L=1400)£32.99 Add to
0149578-0023-02HOSE CLAMP£5.73 Add to
020112726388/0CROSS-HEAD SCREW M4X12£2.06 Add to
021337592150/0THROTTLE KNOB [BLACK]£3.41 Add to
022112290800/0HEXAGON NUT M4 UNI 5588 ACC.6S£2.06 Add to
023187000201/1THROTTLE CABLE (B&S)£52.13 Add to
024112735105/0SELF-TAP SCREW TE 3.5 x 16£2.06 Add to
025137090200/0CHOKE CONTROL CABLE£71.14 Add to
0261134-4338-01CHOKE CONTROL BUTTON£15.81 Add to
0311137-0073-01MUFFLER£449.06 Add to
0329959-0820-16FLANGED SCREW M8 x 20 8.8 DIN 6921£2.06 Add to
033112523060/0WASHER M8 8.4 X 24 X 2£2.06 Add to
034112154220/0SELF-LOCK FLANGED NUT M8£3.03 Add to
0359893-0616-16SCREW M6 x 16£2.47 Add to
0361137-1130-01SQUARE WASHER£4.23 Add to
037118738262/0EXHAUST PIPE£168.90 Add to
038084-351-01TUBE CLAMP£10.23 Add to
039112737450/0SCREW 5/16 x 3/4 18 THREAD£3.55 Add to
0419600-0251-00KEY L=3/4"£4.91 Add to
0421137-0207-01ENGINE PULLEY£38.44 Add to
043112543000/0SAFETY WASHER D=7/16£2.06 Add to
044112737320/0THREADED SCREW 7/16" x 3" 20 UNF£4.78 Add to
0459955-3725-16SCREW 3/8" x 25£2.87 Add to
0461137-0115-01WIRE CLAMP£2.18 Add to
0479959-0820-16FLANGED SCREW M8 x 20 8.8 DIN 6921£2.06 Add to
0481137-0072-01DEFLECTOR£65.69 Add to
049112154220/0SELF-LOCK FLANGED NUT M8£3.03 Add to
050112728714/0SELF-TAP SCREW K50 x 20£2.40 Add to
0531134-5827-04OIL DRAIN ASSEMBLY£34.35 Add to
054133320509/0CABLE HOLDER£1.79 Add to
055112691115/0HEX-HEAD SCREW M8 x 40£2.06 Add to
056112540260/0INNER TOOTHED WASHER M8£2.06 Add to
057112154210/0SELF-LOCK WINGED NUT M8 DIN 6927£2.06 Add to
058125730029/0INTAKE SEPARATOR£29.30 Add to