Seat

Seat assembly details for Stiga Park 120 (2F5820241/S16) 2021 model

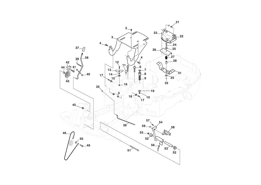
Parts list

Match the number with the image on the left and click "Add" button to add the item to your basket

Please note, that the prices are for individual items

Items might appear more than once on the drawing, please check and adjust the quantity you require.

RefNoDescriptionPrice
002112728697/0SELF-TAPPING SCREW TORX K50 x 16£2.06 Add to
0031137-0867-01SEAT PLATE£70.61 Add to
0041134-0240-01SCREW£9.82 Add to
005112155000/0LOW SELF-LOCKING NUT M8£2.06 Add to
006337580004/1OPC SWITCH£3.55 Add to
007127275000/0RUBBER GROMMET FOR BRAKE PEDAL£3.55 Add to
008137510303/1SPRING GUIDE PIN£13.24 Add to
009137430102/0OPC SPRING£12.68 Add to
010112155000/0LOW SELF-LOCKING NUT M8£2.06 Add to
0111134-3134-01RUBBER SPRING£12.27 Add to
0129893-0616-16SCREW M6 x 16£2.47 Add to
0131137-0862-01SEAT LOCK£3.69 Add to
0141137-0872-01SPACER£2.06 Add to
0159665-0002-00BOWL WASHER£2.61 Add to
016112154510/0LOW SELF-LOCKING NUT M6 UNI7474 ACC.6S£2.06 Add to
0179852-8013-16SCREW£2.47 Add to
0181134-3144-01PLASTIC SPACER£8.60 Add to
019112521350/0WASHER M8 8.4 x 16 x 1.6£2.06 Add to
0219893-0616-16SCREW M6 x 16£2.47 Add to
022337110338/0PROTECTION COVER£12.27 Add to
023112728697/0SELF-TAPPING SCREW TORX K50 x 16£2.06 Add to
024112691115/0HEX-HEAD SCREW M8 x 40£2.06 Add to
025112523060/0WASHER M8 8.4 X 24 X 2£2.06 Add to
026337546639/0SWITCH ACTIVATION PLATE£7.23 Add to
027125430263/0SEAT SWITCH SPRING£1.79 Add to
028125160085/0SUPPORT PLATE SPACER£5.32 Add to
031337785111/0OPC SWITCH SUPPORT£9.94 Add to
033112155000/0LOW SELF-LOCKING NUT M8£2.06 Add to
035112604897/0STARLOCK WASHER D=5£2.06 Add to
0371137-0952-01KNOB£2.06 Add to
0381137-0792-01BRAKE ROD£20.99 Add to
0391137-1092-01SPRING£2.18 Add to
040112604899/0STARLOCK WASHER RPCO 308 D=8£2.06 Add to
041112794300/0SCREW TE M10 x 30£1.91 Add to
0421137-0713-02BRACKET£4.52 Add to
0431134-0072-02STEERING PULLEY£7.78 Add to
0441134-0041-01BUSH£9.41 Add to
0459739-1031-22NUT M10£2.32 Add to
046187000208/0LIFTING DECK CABLE£38.77 Add to
049137510315/0SPRING GUIDE PIN£8.04 Add to
050112604899/0STARLOCK WASHER RPCO 308 D=8£2.06 Add to
0519997-0814-02SCREW M6S M8 x 140£4.52 Add to
0521134-0068-00BUSH£4.78 Add to
0541137-0784-01LIFT PEDAL£59.68 Add to
055112155000/0LOW SELF-LOCKING NUT M8£2.06 Add to
0561134-5824-01SPRING£5.87 Add to
057112760605/0SCREW TBEI M8 X 20MM£2.53 Add to
058387500008/0DECK LIFT PEDAL£54.79 Add to
059112604899/0STARLOCK WASHER RPCO 308 D=8£2.06 Add to