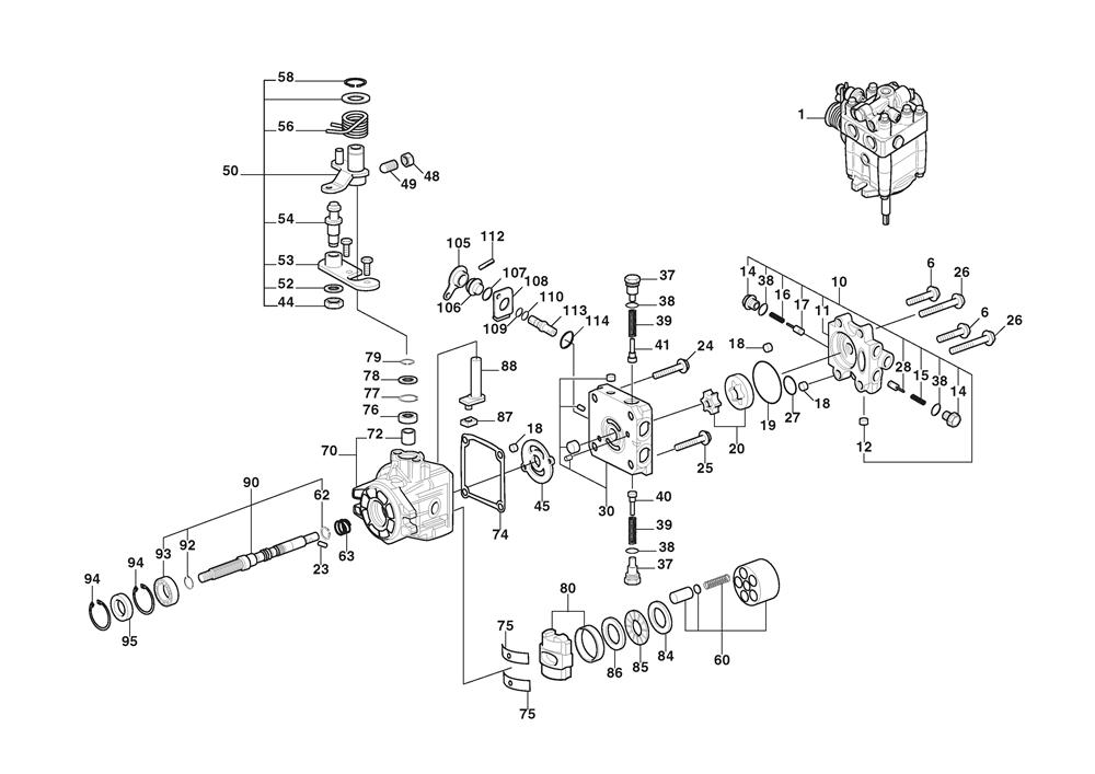
Hydraulic Pump- KPL-13ALP assembly details for Stiga Park Pro 740 IOX (2F6430931/ST1) 2020 model
Parts list
Match the number with the image on the left and click "Add" button to add the item to your basket
Please note, that the prices are for individual items
Items might appear more than once on the drawing, please check and adjust the quantity you require.
Great people to talk to when I was having problems in knowing what parts to order.
The 2 people that I spoke to were very helpful and friendly.
COLIN JACKSON
14/04/2026
Used the comprehensive and very detailed parts listing which is simplicity itself to use to easily identify the required cable. The item was quickly delivered and competitively priced. If you need any parts for Mountfield mowers then WOM is definitely worth a visit, I cannot fault any aspect of the process.
Glynne Jones
14/04/2026
A weak point on the Mountfield electric mower is the plastic connecting rod which joins the cut height lever to the front wheels.
The eye at the wheel end breaks easily but this part is available from World of Mowers with prompt delivery and suitable packaging.
Last time I had to replace the front support plate/axle as well as the rod, both in stock.Thank you for continuing to support these mowers
Michael Vaughan
13/04/2026
Item as described would buy again in future
Richard James
13/04/2026
All our prices include VAT