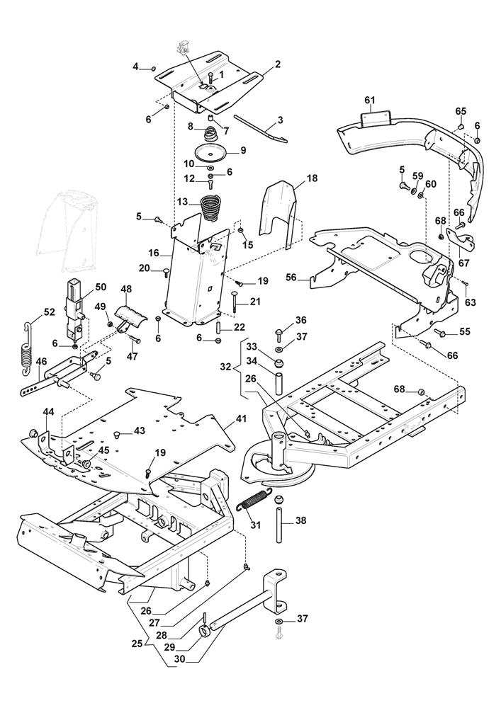
Chassis

Chassis assembly details for Stiga Park 320 G (2F6120241/ST1) 2020 model

Parts list

Match the number with the image on the left and click "Add" button to add the item to your basket

Please note, that the prices are for individual items

Items might appear more than once on the drawing, please check and adjust the quantity you require.

RefNoDescriptionPrice
001112691115/0HEX-HEAD SCREW M8 x 40£2.06 Add to
0021134-5301-01UPPER SEAT BRACKET£109.29 Add to
0031134-5454-01CATCH ROD£11.18 Add to
004112604899/0STARLOCK WASHER RPCO 308 D=8£2.06 Add to
0051134-0240-00SCREW£9.14 Add to
006112155000/0LOW SELF-LOCKING NUT M8£2.06 Add to
0071134-1565-06SPACER£11.32 Add to
0081134-5302-01SPRING£8.87 Add to
0091134-5299-01PUSH PLATE£17.86 Add to
0109699-0090-02WASHER 8.4 x 18 x 1.5£2.32 Add to
0129924-1235-19SCREW MF6S M12 x 35£4.23 Add to
015112156603/0SELF-LOCKING NUT M12£2.06 Add to
0161134-5296-04SEAT BRACKET [YELLOW]£163.80 Add to
0181134-5300-01REAR PLATE [YELLOW]£46.61 Add to
0199893-0616-16SCREW M6 x 16£2.47 Add to
0219897-0880-12SCREW MVBF 8 x 80£2.32 Add to
0221134-1565-08SPACER£9.94 Add to
025387800011/0FRONT FRAME ASSEMBLY [2WD]£811.06 Add to
026112379511/0STRAIGHT GREASE NIPPLE M6 x 1£2.06 Add to
0279501-0504-01GREASE NIPPLE M6£3.69 Add to
0289595-0262-00LOCATING PIN£2.06 Add to
0291134-0031-00PIVOT SHAFT STOP£24.95 Add to
0311134-2171-01SPRING£20.53 Add to
0339547-0001-00BEARING£24.95 Add to
0341134-5705-01SPACER£19.36 Add to
0369959-1025-16SCREW M6SF M10 x 25 TL£3.00 Add to
037112521360/0WASHER M10 10.5 x 20 x 2£2.06 Add to
0381134-5988-01CENTRE SHAFT£22.76 Add to
0411134-6586-01FLOOR PLATE£170.61 Add to
0439403-0048-70COVER PLUG£9.68 Add to
0441134-4117-01BRACKET£32.99 Add to
0451134-2684-01BUSH£7.10 Add to
046387256053/0LIFT LEVER ASSEMBLY£76.59 Add to
0481134-4938-01LIFT PEDAL£24.95 Add to
049112292102/0FLANGED HEXAGONAL NUT M6£2.06 Add to
0501134-4945-01LIFT CATCH ASSEMBLY£124.29 Add to
0524231-0013-00SPRING£8.87 Add to
0559945-0816-16SCREW M8 X 16£2.54 Add to
0561134-5944-01TANK SHELF ASSEMBLY£279.64 Add to
0599665-0002-00BOWL WASHER£2.61 Add to
0601134-4242-01SPACER WASHER£4.78 Add to
061387457003/0REAR BUMPER£231.93 Add to
0639943-0516-16SCREW£2.40 Add to
0659943-0516-16SCREW£2.40 Add to
0669959-0820-16FLANGED SCREW M8 x 20 8.8 DIN 6921£2.06 Add to
0671134-5512-01TOWING PLATE£20.72 Add to
068112154220/0SELF-LOCK FLANGED NUT M8£3.03 Add to