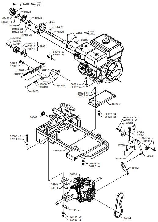
TRANSMISSION ENGINE - HYDR. AXLE (from sn 697904 from 2020)

Parts list

Match the number with the image on the left and click "Add" button to add the item to your basket

Please note, that the prices are for individual items

Items might appear more than once on the drawing, please check and adjust the quantity you require.

RefNoDescriptionPrice
136496136496BOOT£2.53 Add to
1700617006BUSHING£51.96 Add to
2676026760SPACER£2.87 Add to
3839738397FEATHER KEY£6.96 Add to
3903139031GUIDE PULLEY£13.51 Add to
4841248412SPACER£1.74 Add to
48413H48413HSUPPORT£38.14 Add to
4841748417LEVER£11.28 Add to
4842048420EXTENSION£109.22 Add to
4842348423BLOWER£13.87 Add to
4843048430PULLEY£34.68 Add to
48438H48438HBRACKET£34.68 Add to
4846948469HOPPER FRAME TUBE,REAR£52.45 Add to
4847248472BRACKET£9.53 Add to
4847648476WIRE£8.67 Add to
4848448484BLOCK£2.60 Add to
48500N48500NFRAME£395.22 Add to
4853048530SPACER£3.36 Add to
5000450004SCREW£1.36 Add to
5002850028SCREW£1.49 Add to
5006950069SCREW£1.59 Add to
5012250122NUT£1.44 Add to
5013950139NUT£1.34 Add to
5014250142NUT£1.32 Add to
5019950199WASHER£1.58 Add to
5031250312CIRCLIP£1.71 Add to
5032850328CIRCLIP£1.44 Add to
5049250492FEATHER KEY 6X 6X20£2.12 Add to
5092050920SCREW£1.45 Add to
5231652316BEARING£8.54 Add to
5234852348BEARING£32.94 Add to
5234852348BEARING£32.94 Add to
5286852868SCREW£1.89 Add to
5331153311SPLIT PIN£1.40 Add to
5494554945CABLE CHOCK£1.81 Add to
5565455654BELT£48.54 Add to
5638156381HYDROS. TRANSMISSION GH£1,311.24 Add to
5700857008WASHER£1.35 Add to
5701157011WASHER£1.30 Add to
5702557025WASHER£1.34 Add to
5735857358YOKE£6.63 Add to
5735957359CLIP£3.45 Add to
5901959019SCREW£1.56 Add to
5908459084SCREW£1.69 Add to
5921359213SCREW£1.42 Add to
5925559255ALLEN SCREW£0.23 Add to
6603466034SPRING£2.03 Add to
6603466034SPRING£2.03 Add to