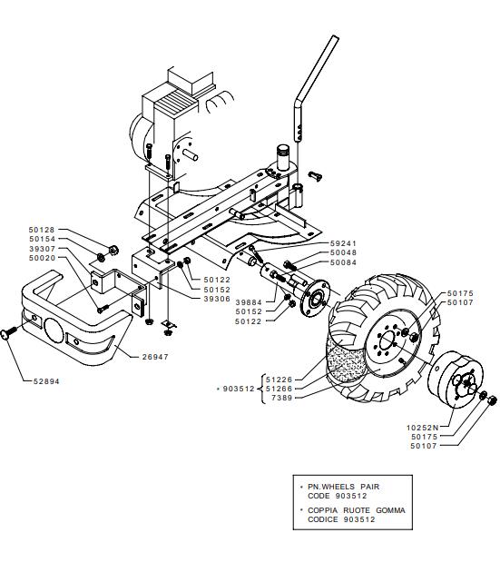
PLOUGHING KIT (from sn 198751 from 1993)

Parts list

Match the number with the image on the left and click "Add" button to add the item to your basket

Please note, that the prices are for individual items

Items might appear more than once on the drawing, please check and adjust the quantity you require.

RefNoDescriptionPrice
10252N10252NBALLAST£177.00 Add to
3988439884WHEEL HUB£235.21 Add to
5002050020SCREW£1.44 Add to
5004850048SCREW£1.90 Add to
5008450084SCREW£2.04 Add to
5010750107NUT£1.59 Add to
5012250122NUT£1.44 Add to
5012850128NUT£1.58 Add to
5015250152WASHER£1.30 Add to
5015450154WASHER£1.37 Add to
5017550175WASHER£1.42 Add to
5122651226TYRE£82.11 Add to
5125551255INNERTUBE£15.03 Add to
5289452894SCREW£2.94 Add to