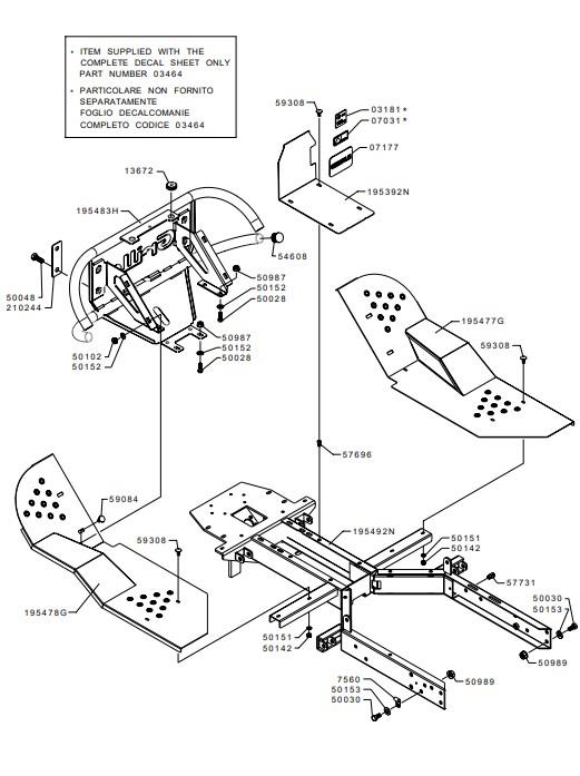
FRONT FRAME (from sn 710318 from 2021)

Parts list

Match the number with the image on the left and click "Add" button to add the item to your basket

Please note, that the prices are for individual items

Items might appear more than once on the drawing, please check and adjust the quantity you require.

RefNoDescriptionPrice
0318103181STICKER£3.55 Add to
0346403464STICKER£30.77 Add to
1367213672SHOCK ABSORBER£3.93 Add to
195392N195392NLOCK£31.54 Add to
195477G195477GFOOTBOARD£112.73 Add to
195478G195478GFOOTBOARD£112.73 Add to
195483H195483HBUMPER£300.16 Add to
210244210244PLATE£5.47 Add to
5002850028SCREW£1.49 Add to
5003050030SCREW£1.64 Add to
5004850048SCREW£1.90 Add to
5010250102NUT£1.36 Add to
5014250142NUT£1.32 Add to
5015150151WASHER£1.28 Add to
5015250152WASHER£1.30 Add to
5015350153WASHER£1.34 Add to
5098750987NUT£2.72 Add to
5098950989NUT£1.59 Add to
5460854608PLUG£2.49 Add to
5769657696THREADED INSERT£1.61 Add to
5773157731THREADED INSERT£1.86 Add to
5908459084SCREW£1.69 Add to
5930859308SCREW£1.92 Add to
75607560FAIRLEAD£5.61 Add to