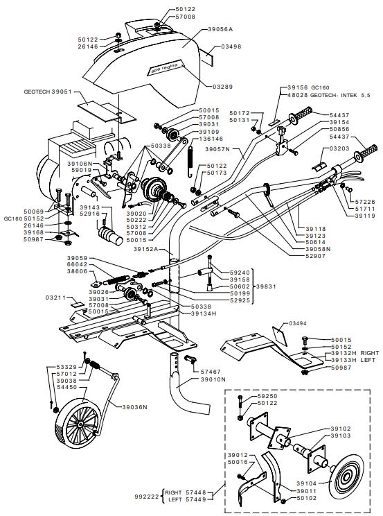
FRAME + PRINCESS 1+1 APE (from sn 198751 from 1993)

Parts list

Match the number with the image on the left and click "Add" button to add the item to your basket

Please note, that the prices are for individual items

Items might appear more than once on the drawing, please check and adjust the quantity you require.

RefNoDescriptionPrice
0349403494STICKER£2.35 Add to
0349803498STICKER£4.07 Add to
136146136146SPRING£4.47 Add to
2614626146WASHER£3.64 Add to
3860638606SMALL PLATE£3.53 Add to
39010N39010NMOTORHOE SPUR£16.82 Add to
3901139011BLADE RH MP3£5.16 Add to
3901239012BLADE LH MP3£5.16 Add to
3902039020PULLEY£28.70 Add to
3902639026BELT STRETCHER£23.50 Add to
3903139031GUIDE PULLEY£13.51 Add to
39036N39036NWHEEL SUPPORT£22.19 Add to
3903839038SPRING£2.27 Add to
3905939059SPRING£3.57 Add to
39106N39106NSUPPORT£39.17 Add to
3910939109TIGHTENER LEVER£17.28 Add to
3911839118WIRE£19.85 Add to
3911939119HANDLE£60.19 Add to
3912339123WIRE£16.69 Add to
3914339143ENGINE PULLEY PRINCESS£32.11 Add to
3915439154ACCELERATOR CONTROL LEVER£21.57 Add to
3915639156STICKER£3.43 Add to
3916839168STRICKER PLATE£2.38 Add to
3983139831LEVER£29.68 Add to
5001550015SCREW£1.44 Add to
5001650016SCREW£18.80 Add to
5006950069SCREW£1.59 Add to
5010250102NUT£1.36 Add to
5012250122NUT£1.44 Add to
5015250152WASHER£1.30 Add to
5017350173WASHER£1.34 Add to
5019950199WASHER£1.58 Add to
5022250222BEARING£8.85 Add to
5031250312CIRCLIP£1.71 Add to
5033850338CIRCLIP£1.42 Add to
5060250602KNOB£3.65 Add to
5061450614CLAMP£0.15 Add to
5085650856SCREW£1.42 Add to
5098750987NUT£2.72 Add to
5171151711RING£1.44 Add to
5290752907SCREW£1.76 Add to
5291652916ALLEN SCREW£0.47 Add to
5292552925SCREW£1.69 Add to
5332953329SPLIT PIN£1.42 Add to
5443754437HANDLE£2.53 Add to
5700857008WASHER£1.35 Add to
5701257012WASHER£1.81 Add to
5722657226CYLINDER£3.89 Add to
5746757467PIN£4.37 Add to
5869758697REPLACEMENT KIT 54450£23.76 Add to
5901959019SCREW£1.56 Add to
6604266042SPRING£8.52 Add to