ENGINE B&S VANGUARD 16hp (from sn 572770 from 2013)

Parts list

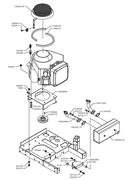
Match the number with the image on the left and click "Add" button to add the item to your basket

Please note, that the prices are for individual items

Items might appear more than once on the drawing, please check and adjust the quantity you require.

RefNoDescriptionPrice
136421N136421NENGINE GRID£64.23 Add to
136469N136469NSUPPORT£35.46 Add to
146346N146346NMANIFOLD£60.95 Add to
146626N146626NBRACKET£18.87 Add to
166122N166122NMANIFOLD£60.95 Add to
166421166421GASKET£3.54 Add to
166422166422GASKET£3.21 Add to
200620200620GASKET£3.23 Add to
2614626146WASHER£3.64 Add to
5000950009SCREW£1.42 Add to
5001650016SCREW£18.80 Add to
5002450024SCREW£1.46 Add to
5002850028SCREW£1.49 Add to
5015150151WASHER£1.28 Add to
5015250152WASHER£1.30 Add to
5098750987NUT£2.72 Add to
5920159201SCREW£1.39 Add to
5956459564CLAMP£3.36 Add to
6548265482EXTENSION£10.94 Add to
6548365483STEM£9.56 Add to
6577265772ENGINE PULLEY 0113 CLS9£57.33 Add to
75607560FAIRLEAD£5.61 Add to
7680476804FEATHER KEY£2.71 Add to
81418141WASHER£3.84 Add to